lemon-mirror:
Home >> Jeep >> 2000 >> Cherokee 2WD L4-2.5L VIN P >> Repair and Diagnosis >> Powertrain Management >> Computers and Control Systems >> Engine Control Module >> Diagrams >> Electrical Diagrams >> System Schematic

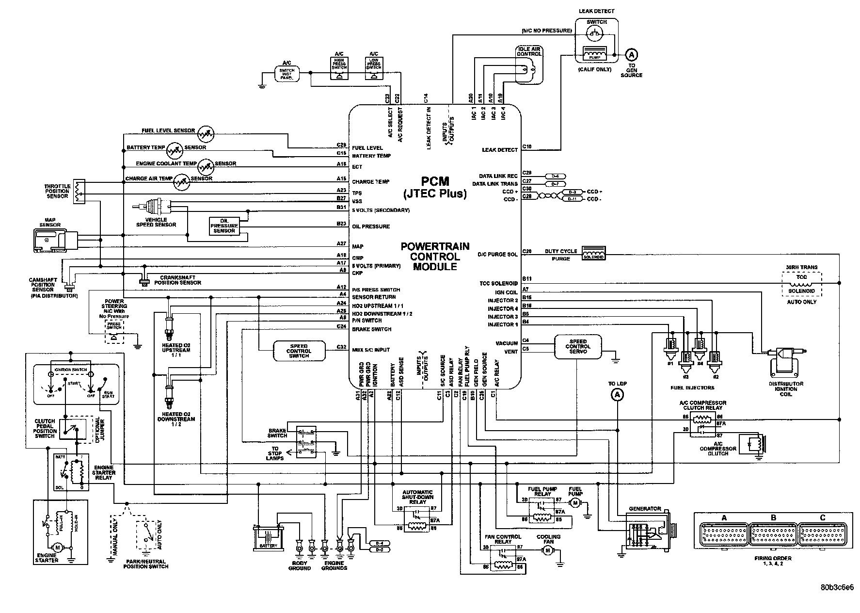
System Schematic

2000 Jeep XJ JTEC System: