lemon-mirror:
Home >> Jaguar >> 1990 >> XJ-S V12-5.3L >> Repair and Diagnosis >> Powertrain Management >> Ignition System >> Distributor >> Distributor Cap >> Locations

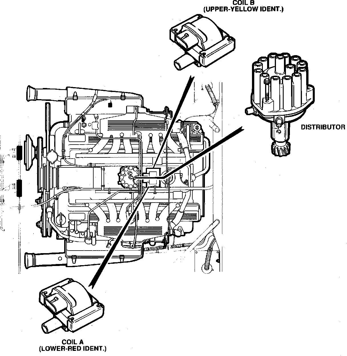
Distributor Cap: Locations

Component Locations:




Marelli Distributor:





Located on top of distributor in center of engine vee.