lemon-mirror:
Home >> Jaguar >> 1990 >> XJ-S V12-5.3L >> Repair and Diagnosis >> Powertrain Management >> Computers and Control Systems >> Engine Speed Sensor >> Locations

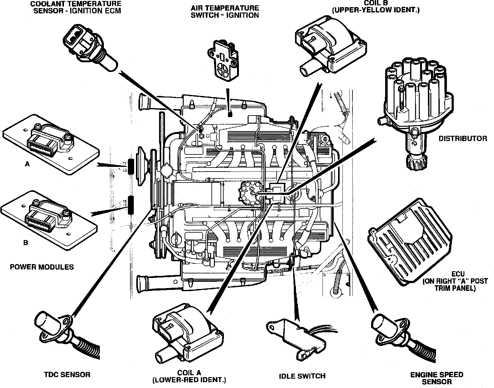
Engine Speed Sensor: Locations

Component Locations: