lemon-mirror:
Home >> Jaguar >> 1982 >> XJ-6 L6-4.2L >> Repair and Diagnosis >> Powertrain Management >> Computers and Control Systems >> Coolant Temperature Sensor/Switch (For Computer) >> Locations

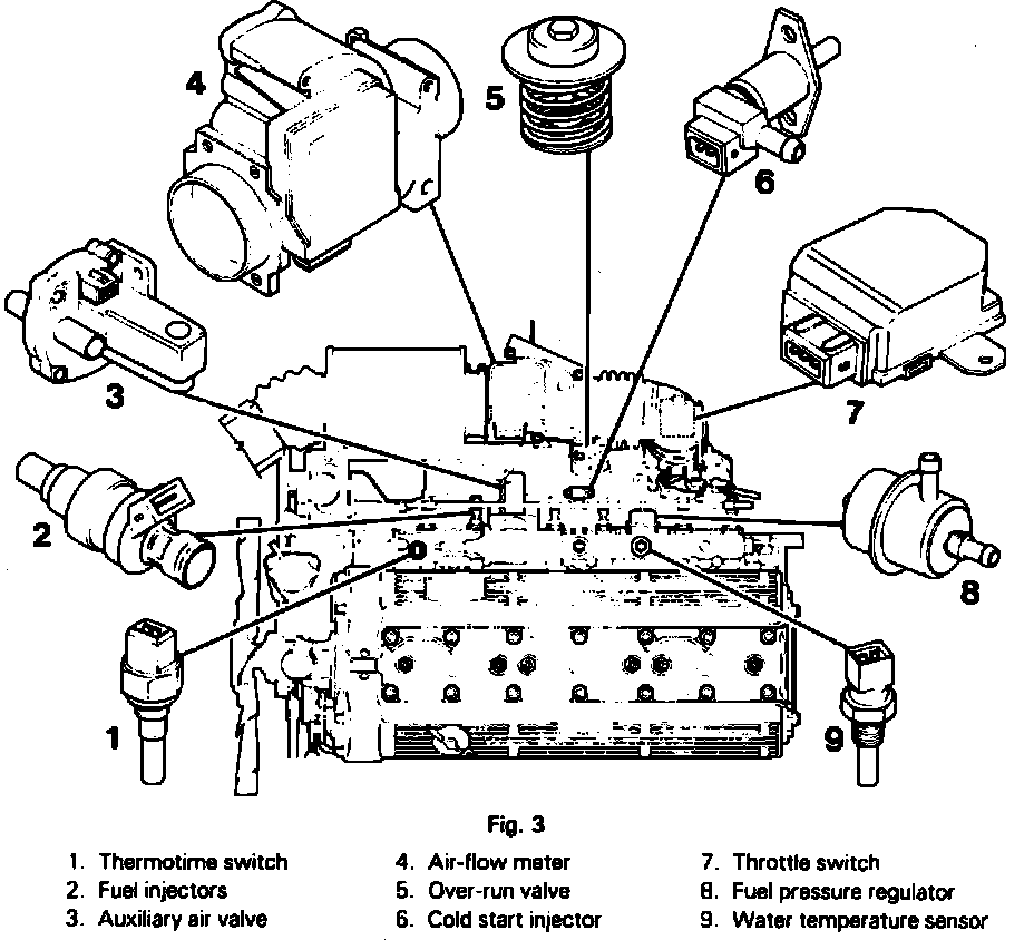
Coolant Temperature Sensor/Switch (For Computer): Locations

Engine Component Locations.:




LH Side Of Intake Manifold

Applicable to: XJ6