lemon-mirror:
Home >> Jaguar >> 1982 >> XJ-6 L6-4.2L >> Repair and Diagnosis >> Heating and Air Conditioning >> Control Module HVAC >> Locations >> Component Locations >> Servo Control Unit

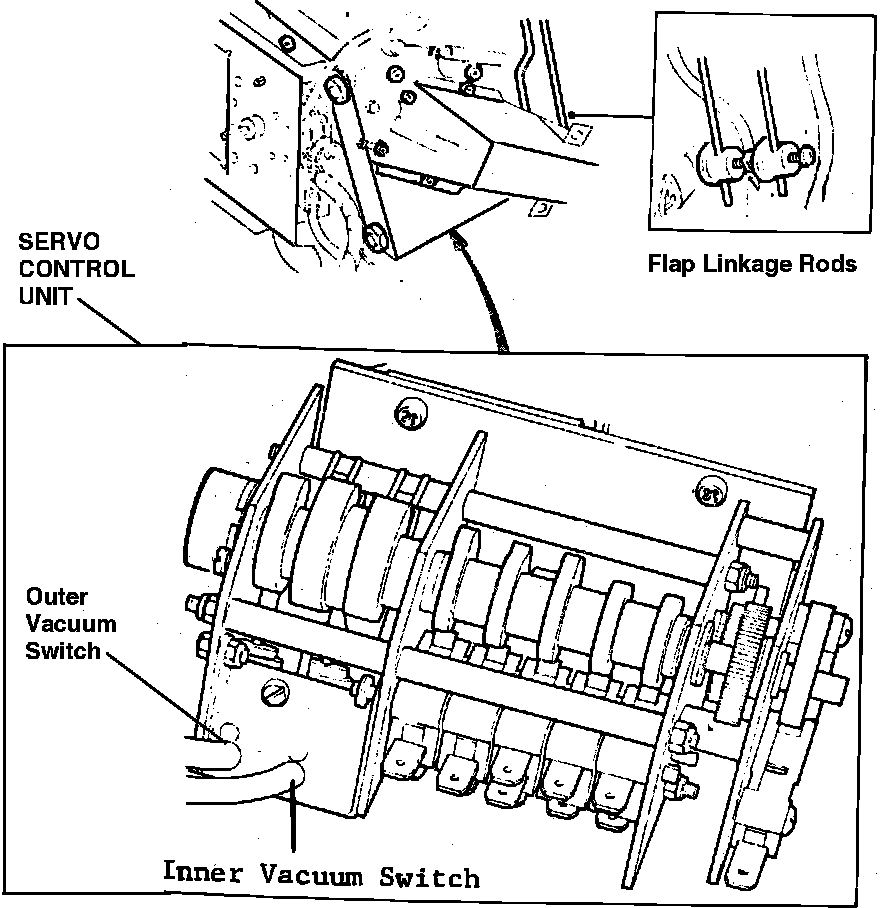
Servo Control Unit


Servo Control Unit:





Location: Behind R/H console kick panel and center console.