lemon-mirror:
Home >> Isuzu >> 2012 >> NPR V8-6.0L >> Repair and Diagnosis >> Powertrain Management >> Computers and Control Systems >> Relays and Modules - Computers and Control Systems >> Engine Control Module >> Service and Repair

Engine Control Module: Service and Repair

Engine Control Module Replacement

Removal Procedure
Service of the engine control module (ECM) should consist of either replacement of the ECM or programming of the electrically erasable programmable read only memory (EEPROM). If the diagnostic procedures call for the ECM to be replaced, the replacement ECM should be checked to ensure that the correct part is being used. If the correct part is being used, remove the faulty ECM and install the new service ECM.

NOTICE:
- Turn the ignition OFF when installing or removing the control module connectors and disconnecting or reconnecting the power to the control module (battery cable, powertrain interface module (PIM)/Engine Control Module (ECM), pigtail, control module fuse, jumper cables, etc.) in order to prevent internal control module damage.
- Control module damage may result when the metal case contacts battery voltage. DO NOT contact the control module metal case with battery voltage when servicing a control module, using battery booster cables, or when charging the vehicle battery.
- In order to prevent any possible electrostatic discharge damage to the control module, do not touch the connector pins or the soldered components on the circuit board.
- Remove any debris from around the control module connector surfaces before servicing the control module. Inspect the control module connector gaskets when diagnosing or replacing the control module. Ensure that the gaskets are correctly. The gaskets prevent contaminant intrusion into the control module.
- The replacement control module must be programmed.

1. Disconnect the negative battery cable.






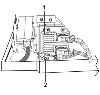
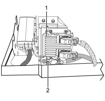
2. Disconnect the engine wiring harness electrical connectors from the ECM (1).
3. Remove four fasteners securing the ECM to the bracket.
4. Remove the ECM from the bracket.

Installation Procedure
1. Install the ECM to the bracket.






2. Connect the engine wiring harness electrical connectors (2) to the ECM (1).
3. Install the four fasteners to secure the ECM to the bracket.

Tighten
Tighten the fasteners to 15 N.m (11 lb ft)

4. Connect the negative battery cable.
5. If a new ECM was installed, program the ECM. Engine Control Module Programming and Setup