lemon-mirror:
Home >> Isuzu >> 2008 >> i-370 2WD L5-3.7L >> Repair and Diagnosis >> Diagrams >> Exploded Views >> Engine

Engine



Disassembled Views

Lower Engine Components

Lower Engine Components:




100 - Engine Block
101 - Transmission Locator Pin
102 - Cylinder Head Locator Pin
102 - Cylinder Head Locator Pin
103 - Main Bearing Cap Locator Pin
104 - Engine Front Cover Locator Pin
105 - Cylinder Sleeve
106 - Connecting Rod Bolt
107 - Connecting Rod Cap
108 - Connecting Rod Lower Bearing
109 - Connecting Rod Upper Bearing
110 - Connecting Rod
111 - Connecting Rod Bushing
112 - Piston Pin Retainer
112 - Piston Pin Retainer
113 - Piston Pin
114 - Piston
115 - Oil Control Ring Set
116 - Lower Compression Ring
117 - Upper Compression Ring
118 - Crankshaft
119 - Upper Main Bearings
119 - Upper Main Bearings
120 - Main Thrust Bearing
121 - Lower Main Bearings
122 - Main Bearing Caps
123 - Main Bearing Cap Stiffener
124 - Main Bearing Cap Bolt
125 - Flywheel - Automatic Transmission
126 - Flywheel Bolt
127 - Flywheel - Manual Transmission
128 - Flywheel Locator
129 - Clutch Pilot Bearing
130 - Crankshaft Sprocket
131 - Crankshaft Balancer
132 - Crankshaft Balancer Bolt
133 - Friction Washer

Cylinder Head Components




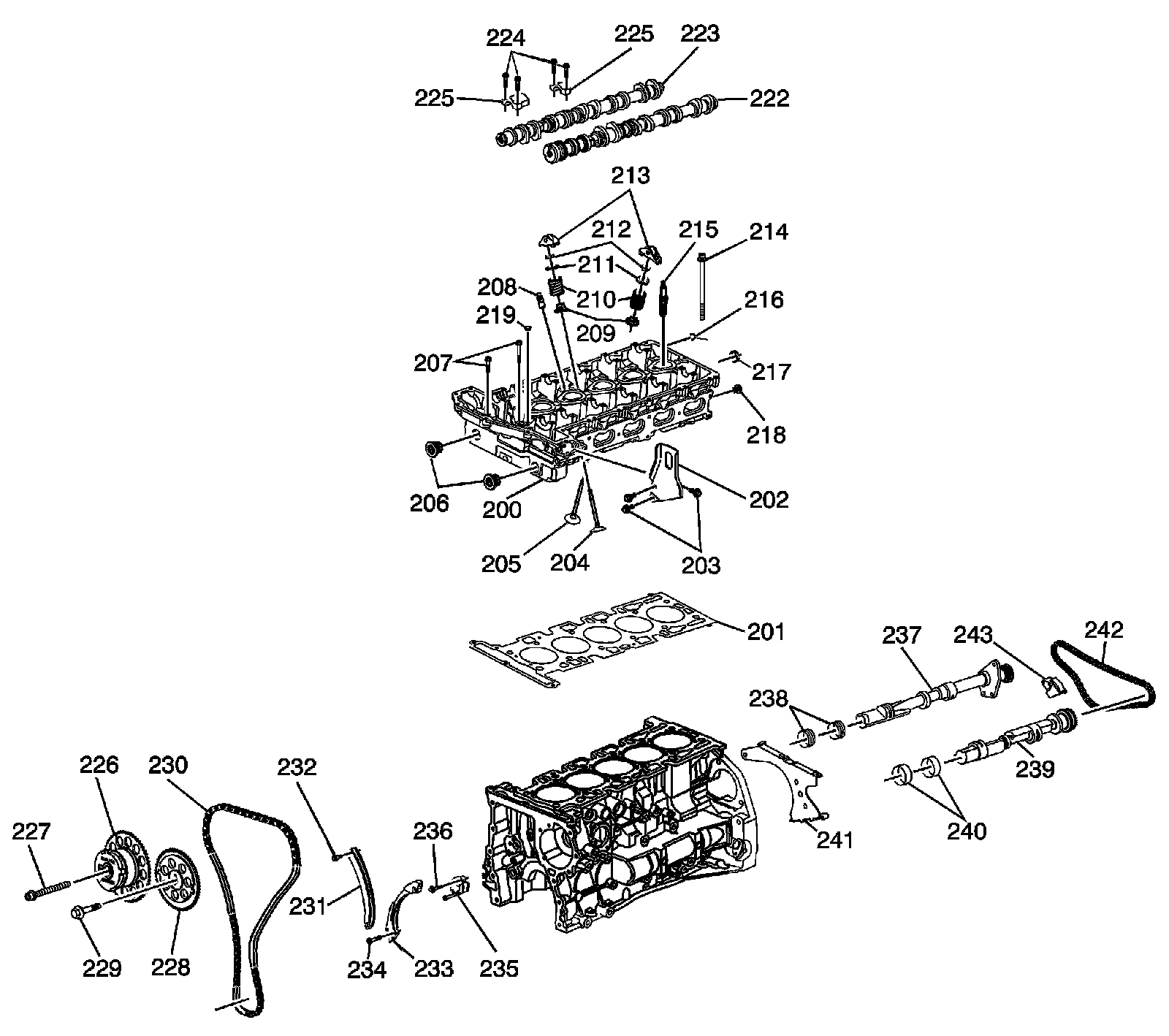
200 - Cylinder Head
201 - Cylinder Head Gasket
202 - Engine Lift Bracket
203 - Engine Lift Bracket Bolts
204 - Intake Valve
205 - Exhaust Valve
206 - Access Hole Plugs
207 - Cylinder Head Bolt
208 - Valve Lash Adjusters
209 - Valve Seals
210 - Valve Springs
211 - Valve Spring Retainers
212 - Valve Keys
213 - Valve Rocker Arms
214 - Cylinder Head Bolt
215 - Spark Plug
216 - A.I.R. Pipe Plug
217 - Water Jacket Plug
218 - Oil Gallery Plug
219 - Oil Gallery Plug
222 - Intake Camshaft
223 - Exhaust Camshaft
224 - Camshaft Cap Bolts
225 - Camshaft Cap
225 - Camshaft Cap
226 - Exhaust Camshaft Actuator
227 - Exhaust Camshaft Actuator Bolt
228 - Intake Camshaft Sprocket
229 - Intake Camshaft Sprocket Bolt
230 - Timing Chain
231 - Timing Chain Tensioner Shoe
232 - Timing Chain Tensioner Shoe Bolt
233 - Timing Chain Guide
234 - Timing Chain Guide Bolt
235 - Timing Chain Tensioner
236 - Timing Chain Tensioner Bolt
237 - Right Balance Shaft
238 - Right Front and Rear Balance Shaft Bearings
239 - Left Balance Shaft
240 - Left Front and Rear Balance Shaft Bearings
241 - Balance Shaft Chain Guide
242 - Balance Shaft Chain
243 - Balance Shaft Chain Tensioner

Cooling Components

Cooling Components:




300 - Water Pump
301 - Water Pump Pulley
302 - Water Pump Pulley Bolt
303 - Water Pump Gasket
304 - Water Pump Bolt
305 - Thermostat Housing
306 - Thermostat Housing Seal
307 - Thermostat Housing Bolt
308 - Water Outlet
309 - Water Outlet Bolt
310 - Water Outlet Seal
311 - Heater Inlet Pipe
312 - Heater Outlet Hose Fitting
313 - Coolant Temperature Sensor

Lubrication Components

Lubrication Components:




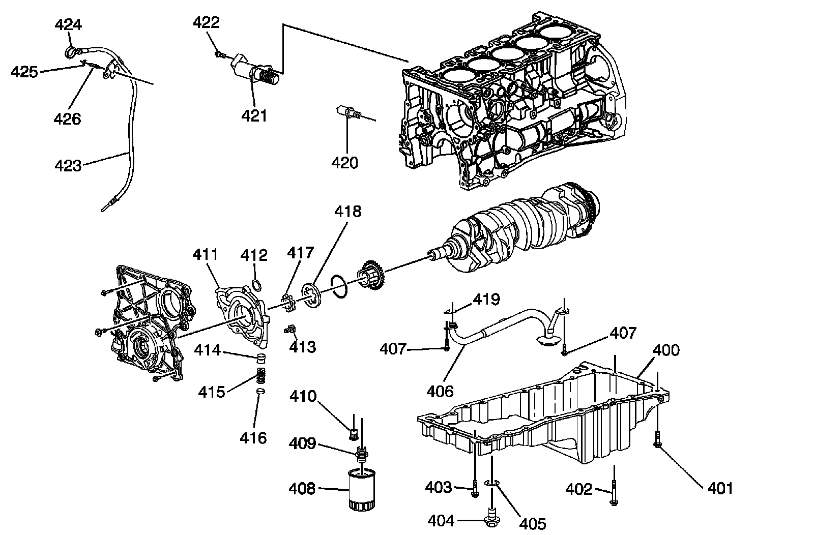
400 - Oil Pan
401 - Oil Pan Bolt
401 - Oil Pan Bolts
402 - Oil Pan Bolt
403 - Oil Pan Bolt
404 - Oil Drain Plug
405 - Oil Drain Plug Gasket
406 - Oil Pump Pickup Tube
407 - Oil Pump Pickup Tube Bolt
407 - Oil Pump Pickup Tube Bolt
408 - Oil Filter
409 - Oil Filter Adapter
410 - Oil Filter Bypass Valve
411 - Oil Pump
412 - Oil Pump Seal
413 - Oil Pump Bolt
414 - Oil Pressure Relief Valve
415 - Oil Pressure Relief Valve Spring
416 - Oil Pressure Relief Valve Plug
417 - Oil Pump Inner Gear
418 - Oil Pump Outer Gear
419 - Oil Pump Pickup Tube Gasket
420 - Oil Pressure Switch
421 - Camshaft Position Actuator Solenoid Valve
422 - Camshaft Position Actuator Solenoid Valve Bolt
423 - Oil Level Indicator Tube
424 - Oil Level Indicator
425 - Oil Level Indicator Tube Stud
426 - Oil Level Indicator Nut

Engine Cover and Components




500 - Intake Manifold
501 - Intake Manifold Seal
502 - Intake Manifold Bolt
503 - Positive Crankcase Vent Hose
504 - Throttle Control Module
505 - Throttle Control Module Bolt
506 - Throttle Control Module Seal
507 - Fuel Injector Rail
508 - Fuel Injector Rail Bolt
509 - Crankshaft Rear Oil Seal Housing
510 - Crankshaft Rear Oil Seal Housing Bolt
511 - Crankshaft Rear Oil Seal
512 - Engine Front Cover
513 - Engine Front Cover Bolt
514 - Engine Front Center Cover Bolt
515 - Engine Front Oil Seal
516 - Engine Front Cover Bolt
517 - Engine Front Cover Bolt Spacer
518 - Camshaft Cover
519 - Camshaft Cover Bolt
520 - Camshaft Cover Seal
521 - Oil Fill Cap

Engine Exhaust and Components




600 - Exhaust Manifold
601 - Exhaust Manifold Gasket
602 - Exhaust Manifold Bolt
603 - Exhaust Manifold Heat Shield
604 - Exhaust Manifold Heat Shield Stud
605 - Exhaust Manifold Heat Shield Nut
700 - Ignition Control Module
701 - Ignition Control Module Spring
702 - Ignition Control Module Boot
703 - Exhaust Camshaft Position Sensor
704 - Exhaust Camshaft Position Sensor Bolt
705 - EVAP Emission Canister Purge Solenoid
706 - EVAP Emission Canister Purge Solenoid Bolt
707 - Knock Sensor Bolt
708 - Knock Sensor
712 - Crankshaft Position Sensor