lemon-mirror:
Home >> Isuzu >> 2006 >> i-350 L5-3.5L >> Repair and Diagnosis >> Powertrain Management >> Computers and Control Systems >> Accelerator Pedal Position Sensor >> Locations

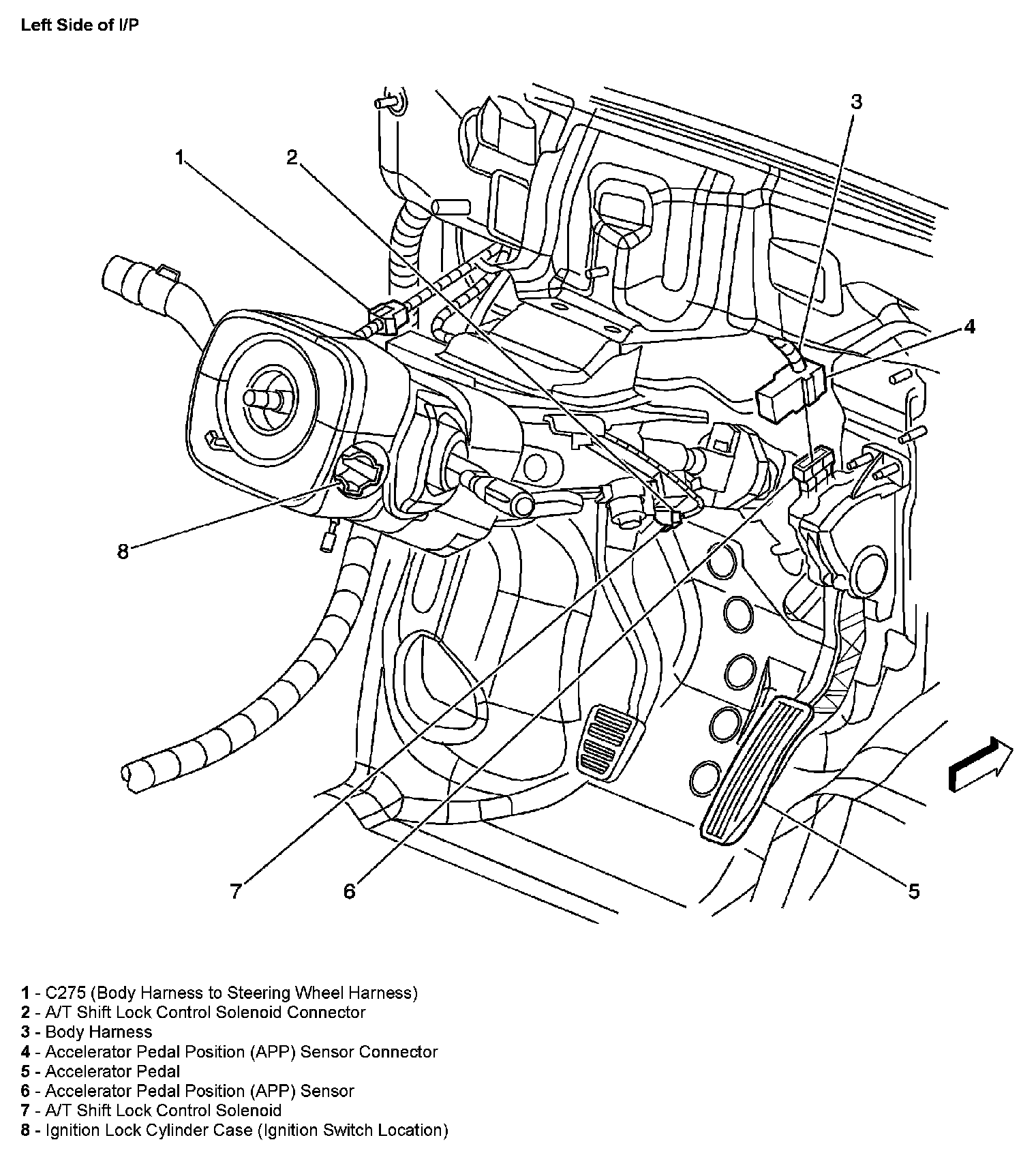
Accelerator Pedal Position Sensor: Locations

Left Side Of I/P: