lemon-mirror:
Home >> Isuzu >> 2006 >> i-280 L4-2.8L >> Repair and Diagnosis >> Powertrain Management >> Computers and Control Systems >> Accelerator Pedal Position Sensor >> Locations

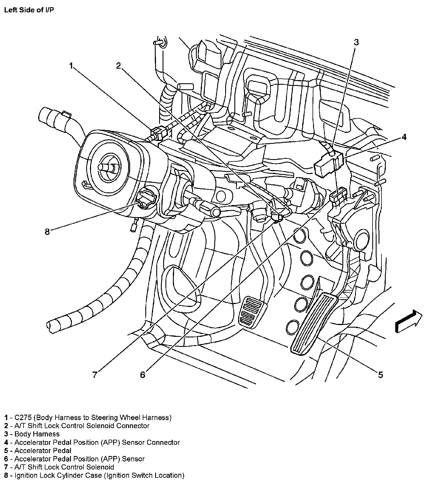
Accelerator Pedal Position Sensor: Locations

Left Side Of I/P: