lemon-mirror:
Home >> Isuzu >> 2006 >> Ascender 2WD L6-4.2L >> Repair and Diagnosis >> Powertrain Management >> Ignition System >> Ignition Cable >> Service and Repair

Ignition Cable: Service and Repair



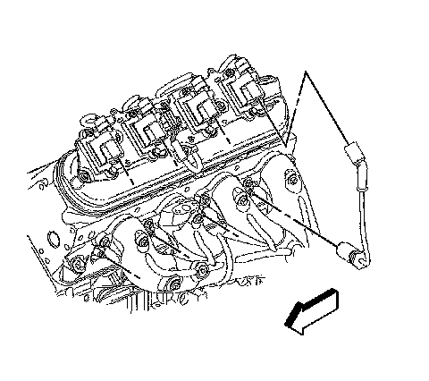
SPARK PLUG WIRE REPLACEMENT

REMOVAL PROCEDURE




1. Remove the spark plug wire from the spark plug.
- Twist each spark plug 1/2 turn.
- Pull only on the boot in order to remove the wire from each spark plug.
2. Remove the spark plug wire from the ignition coil.
- Twist each spark plug boot 1/2 turn.
- Pull only on the boot in order to remove the wires from the ignition coil.

INSTALLATION PROCEDURE




1. Install the spark plug wire to the ignition coil.
2. Install the spark plug wire to the spark plug.
3. Inspect the wires for proper installation:
- Push sideways on each boot in order to inspect the seating.
- Reinstall any loose boot.