lemon-mirror:
Home >> Isuzu >> 2006 >> Ascender 2WD L6-4.2L >> Repair and Diagnosis >> Powertrain Management >> Computers and Control Systems >> Transmission Position Sensor/Switch >> Locations

Transmission Position Sensor/Switch: Locations



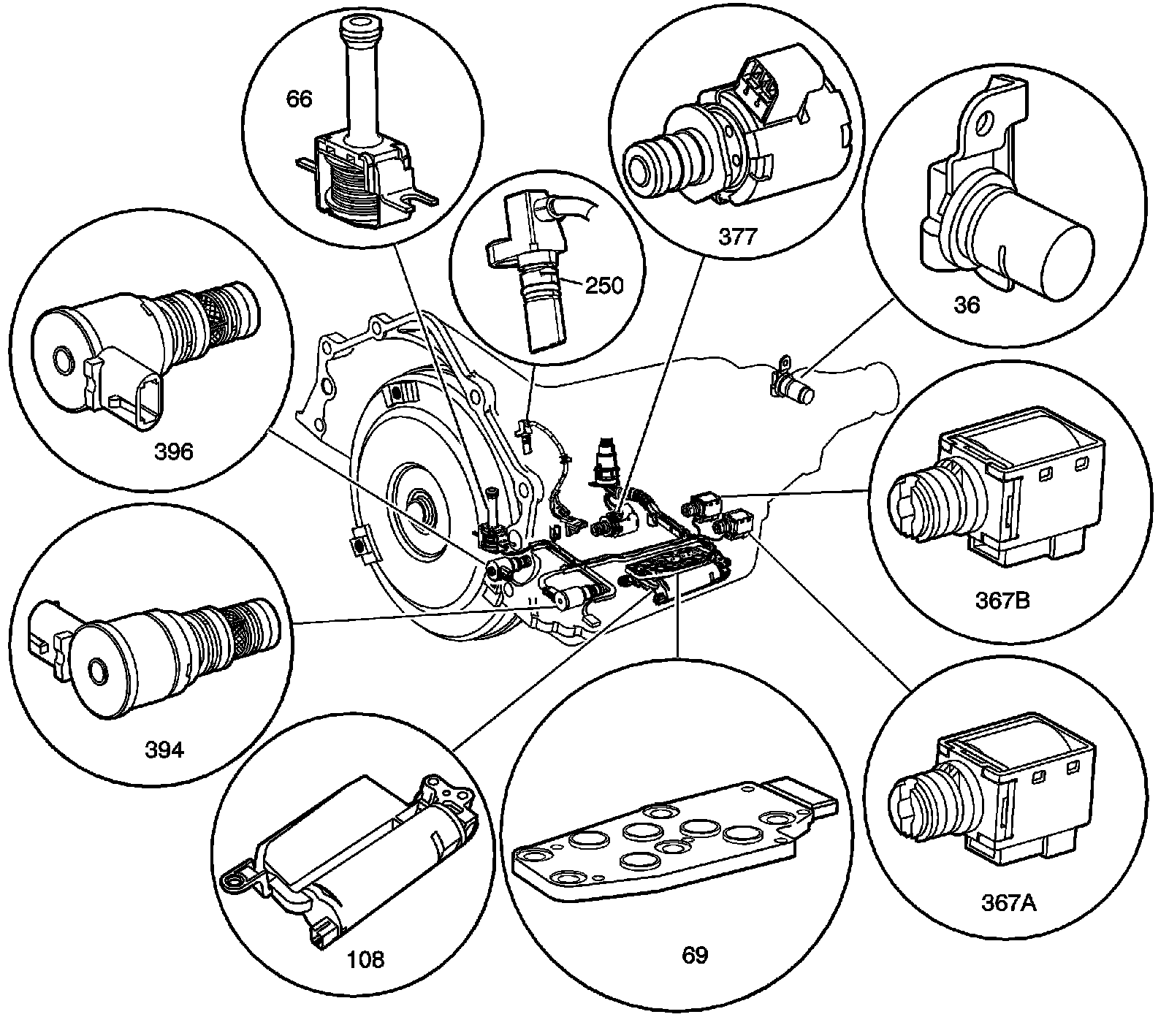
Automatic Transmission Electronic Component Views

Electronic Components:





36 - Vehicle Speed Sensor (VSS) - Model Dependent
66 - Torque Converter Clutch (TCC) Solenoid Valve
69 - Automatic Transmission Fluid Pressure (TFP) Manual Valve Position Switch
108 - Secondary Fluid Pump Assembly - M33 Model Only
250 - Input Speed Sensor (ISS) Assembly - Model Dependent
367a - 1-2 Shift Solenoid (SS) Valve
367b - 2-3 Shift Solenoid (SS) Valve
377 - Pressure Control (PC) Solenoid Valve
394 - 3-2 Shift Solenoid (SS) Valve Assembly
396 - Torque Converter Clutch Pulse Width Modulation (TCC PWM) Solenoid Valve