lemon-mirror:
Home >> Isuzu >> 2006 >> Ascender 2WD L6-4.2L >> Repair and Diagnosis >> Powertrain Management >> Computers and Control Systems >> Data Link Connector >> Locations

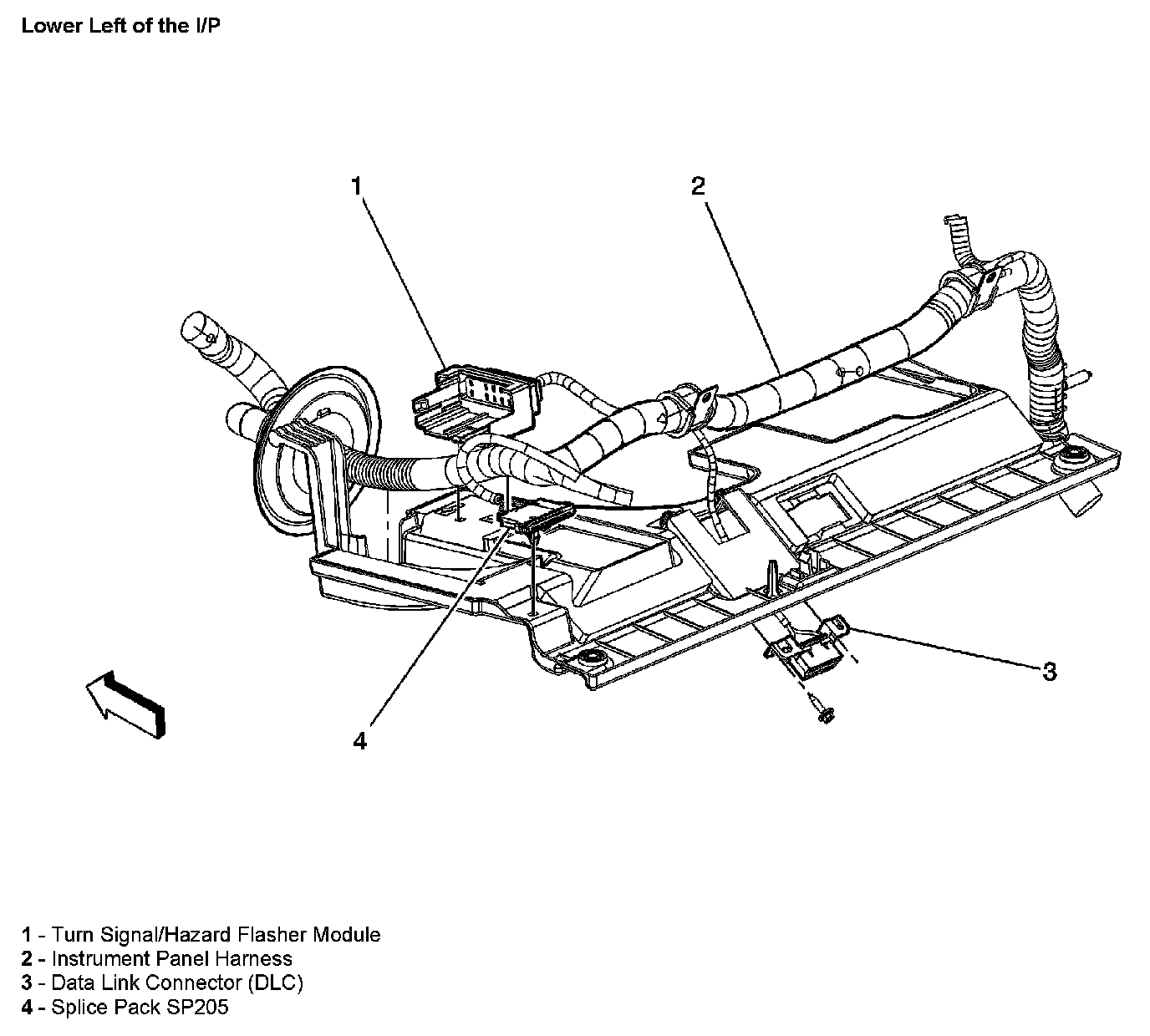
Data Link Connector: Locations

Lower Left Of The I/P:



Lower Left of The I/P: