lemon-mirror:
Home >> Isuzu >> 2006 >> Ascender 2WD L6-4.2L >> Repair and Diagnosis >> Powertrain Management >> Computers and Control Systems >> Body Control Module >> Diagrams >> Electrical Diagrams

Electrical Diagrams



Door Control Module Diagram 1:




Door Control Module Diagram 2:




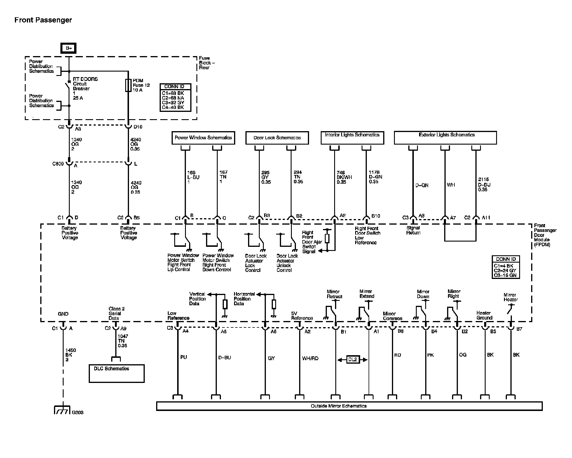
Door Control Module Diagram 3:






Locations: The locations for the Connectors, Grounds, Splices, and Grommets shown within these diagrams can be found via their numbers at Vehicle Locations. Locations