lemon-mirror:
Home >> Isuzu >> 2005 >> Ascender 4WD L6-4.2L >> Repair and Diagnosis >> Powertrain Management >> Computers and Control Systems >> Relays and Modules - Computers and Control Systems >> Body Control Module >> Diagrams >> Electrical Diagrams >> Body Control Module

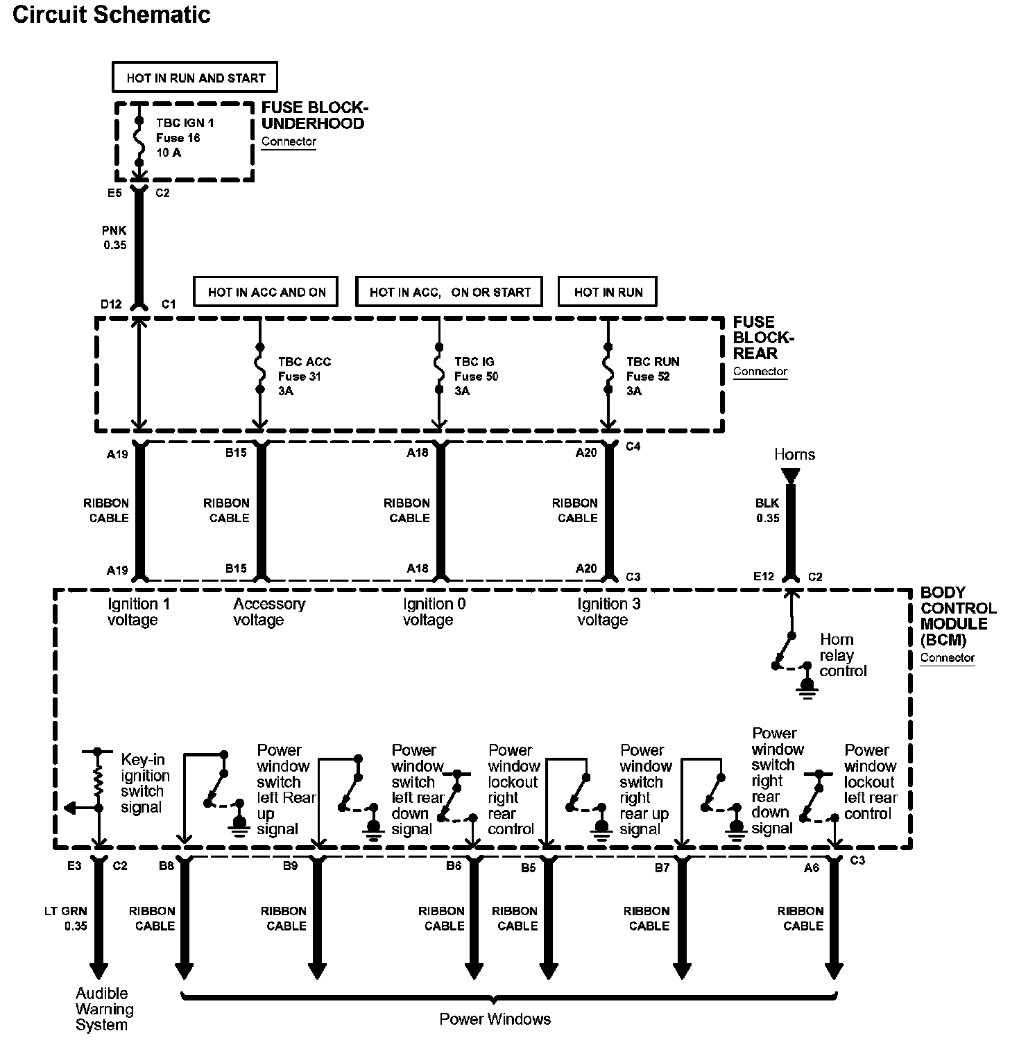
Body Control Module

Diagram 51-0:




Diagram 51-1:




Diagram 51-2:




Diagram 51-3:




Diagram 51-4:






Diagrams: Other diagrams referred to by number within these diagrams can be found at Diagrams by Number. Diagrams By Number


Connector Views: Connector terminal views for the connectors shown within these diagrams can be found at Connector Views by Connector Number. Connector Views By Connector Number