lemon-mirror:
Home >> Isuzu >> 2004 >> Rodeo 2WD V6-3.2L >> Repair and Diagnosis >> Starting and Charging >> Starting System >> Diagrams

Starting System: Diagrams

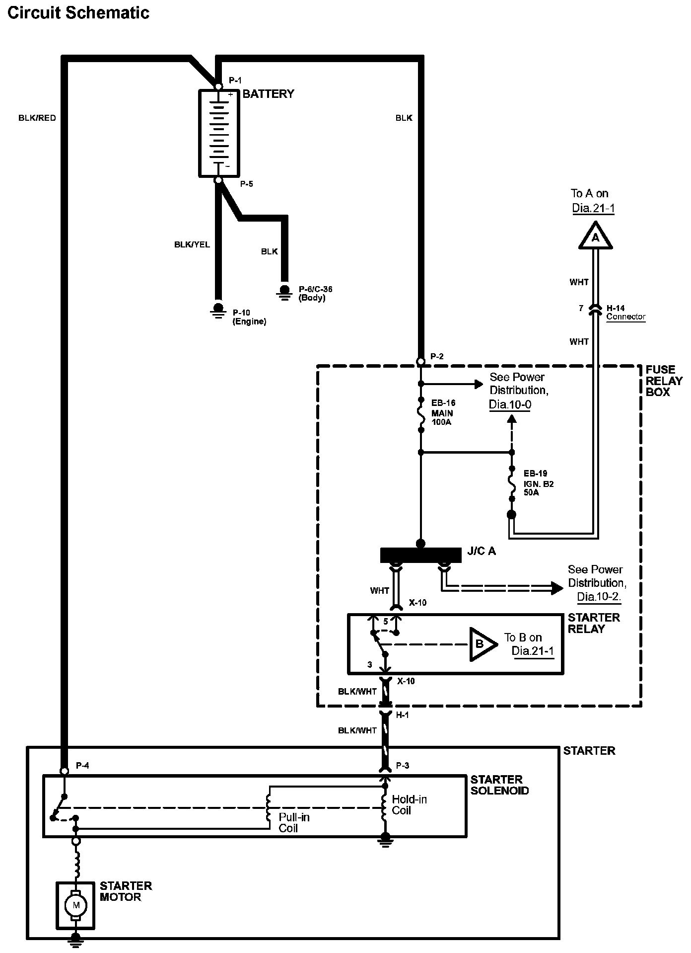
Diagram 21-0:




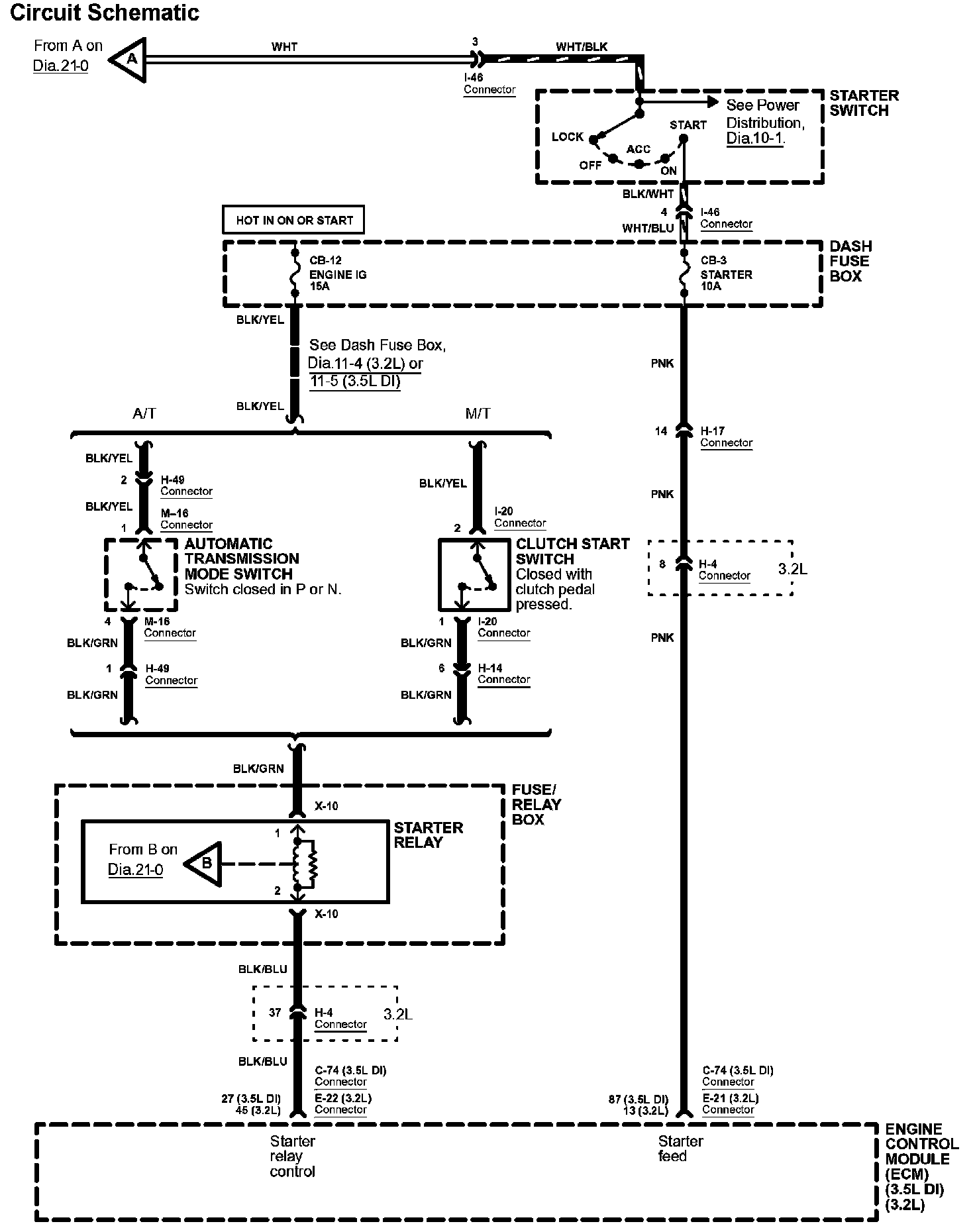
Diagram 21-1:






Diagrams: Other diagrams referred to by number within these diagrams can be found at Diagrams by Number. Diagrams By Number


Connector Views: Connector terminal views for the connectors shown within these diagrams can be found at Connector Views by Connector Number. Connector Views By Connector Number