lemon-mirror:
Home >> Isuzu >> 2003 >> Rodeo 2WD V6-3.2L >> Repair and Diagnosis >> Transmission and Drivetrain >> Automatic Transmission/Transaxle >> Control Module >> Diagrams

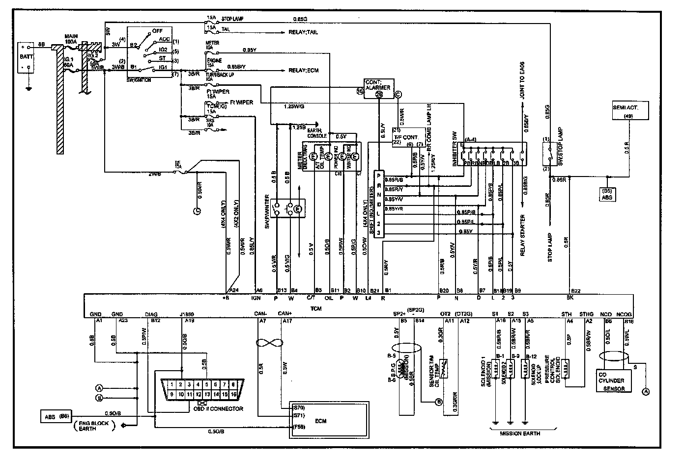
Control Module: Diagrams

TCM: