lemon-mirror:
Home >> Isuzu >> 2003 >> Rodeo 2WD V6-3.2L >> Repair and Diagnosis >> Specifications >> Mechanical Specifications >> Powertrain Management >> Fuel Tank

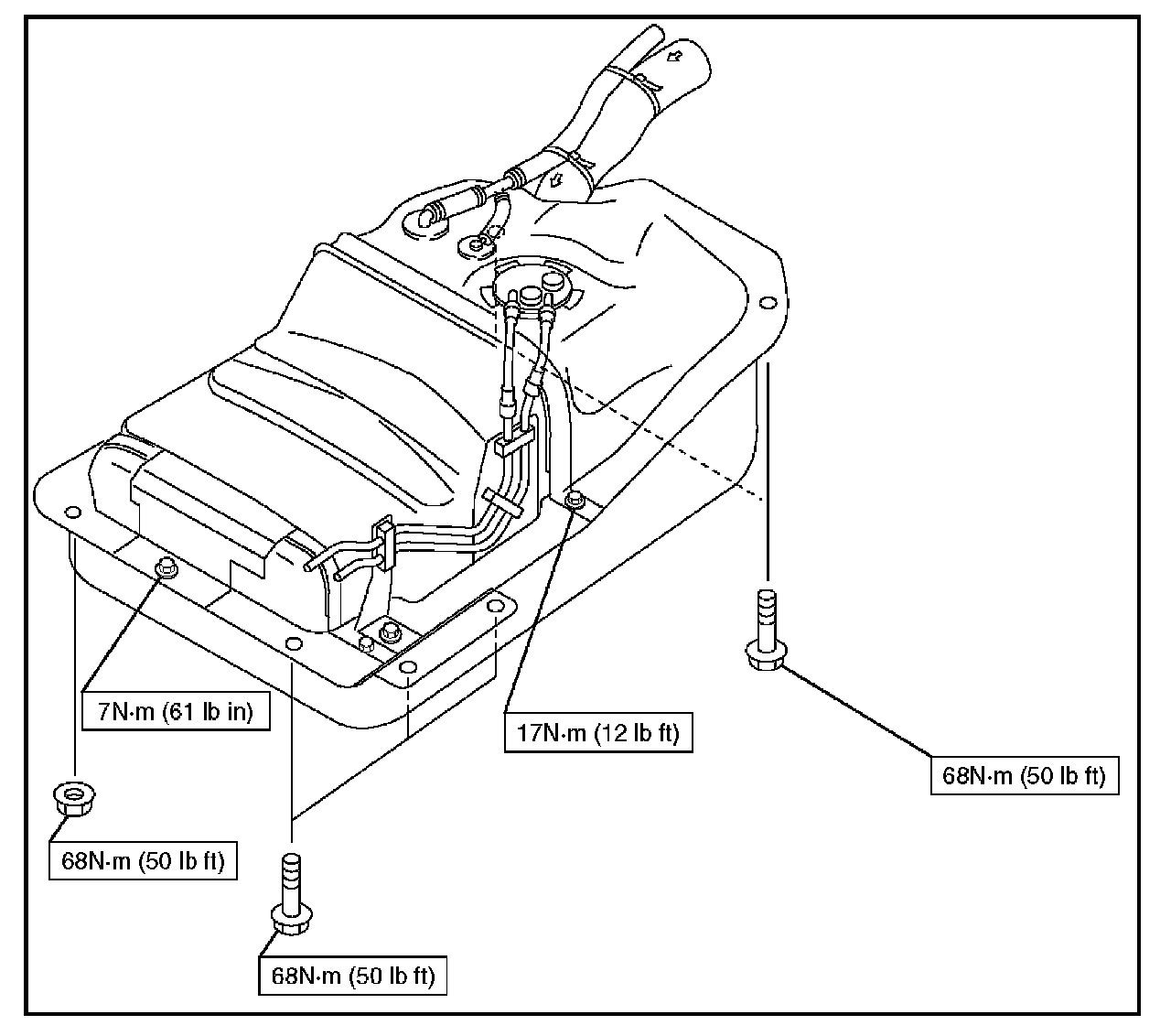
Fuel Tank

Torque Specification:



Torque Specification:



Tightening Specifications: