lemon-mirror:
Home >> Isuzu >> 2003 >> Rodeo 2WD V6-3.2L >> Repair and Diagnosis >> Powertrain Management >> Computers and Control Systems >> Vehicle Speed Sensor >> Diagrams

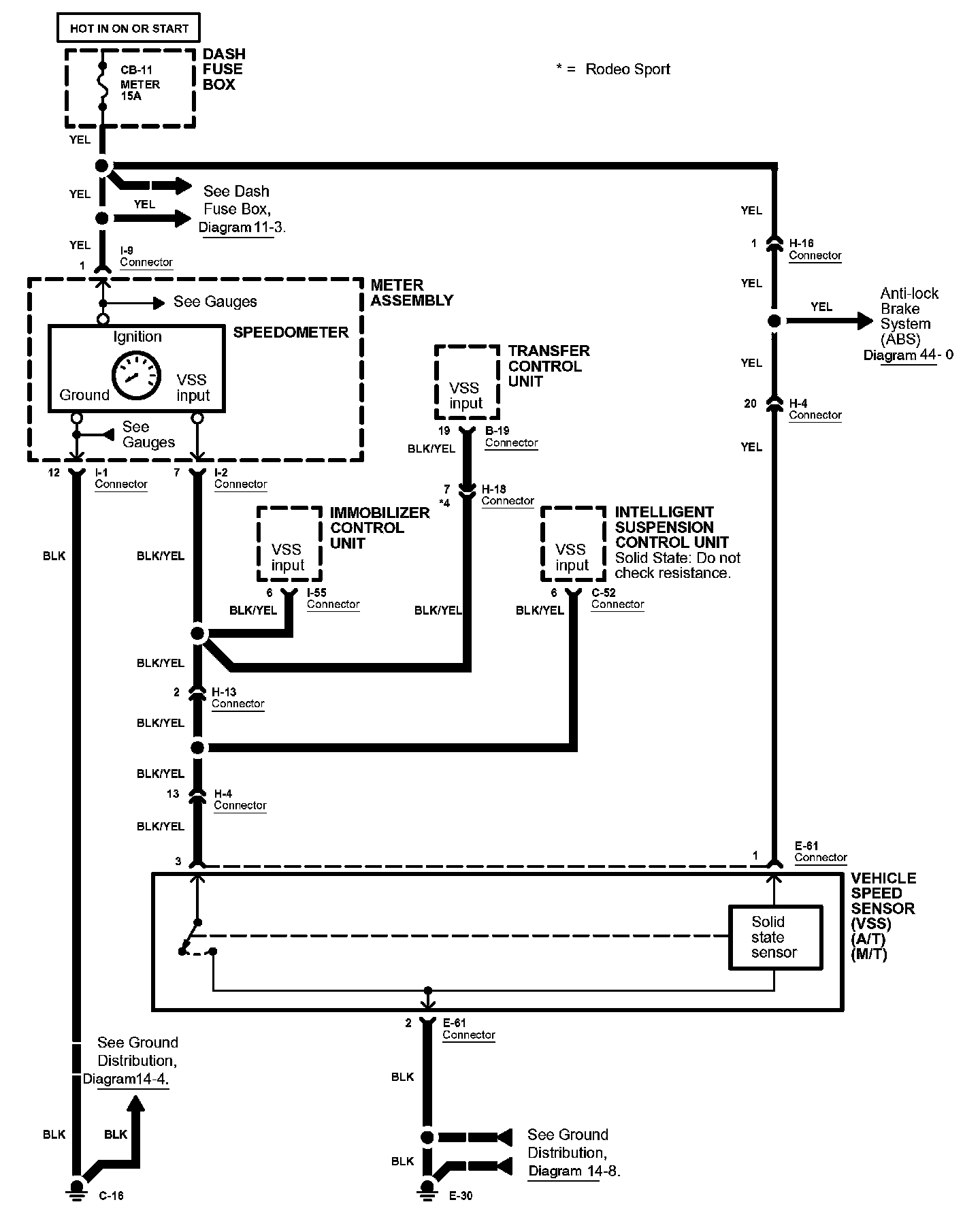
Vehicle Speed Sensor: Diagrams

Diagram 33-1:






Diagrams: Other diagrams referred to by number within these diagrams can be found at Diagrams by Number. Diagrams By Number


Connector Views: Connector terminal views for the connectors shown within these diagrams can be found at Connector Views by Connector Number. Connector Views By Connector Number