lemon-mirror:
Home >> Isuzu >> 2003 >> Rodeo 2WD V6-3.2L >> Repair and Diagnosis >> Diagrams >> Electrical Diagrams >> Powertrain Management >> Engine Control Module

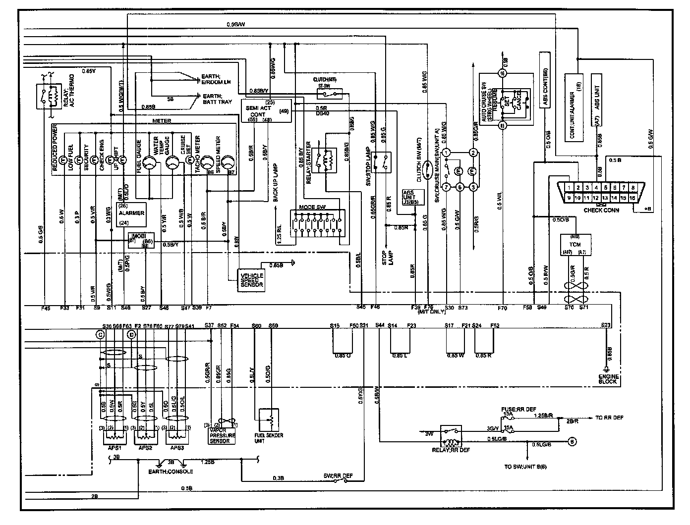
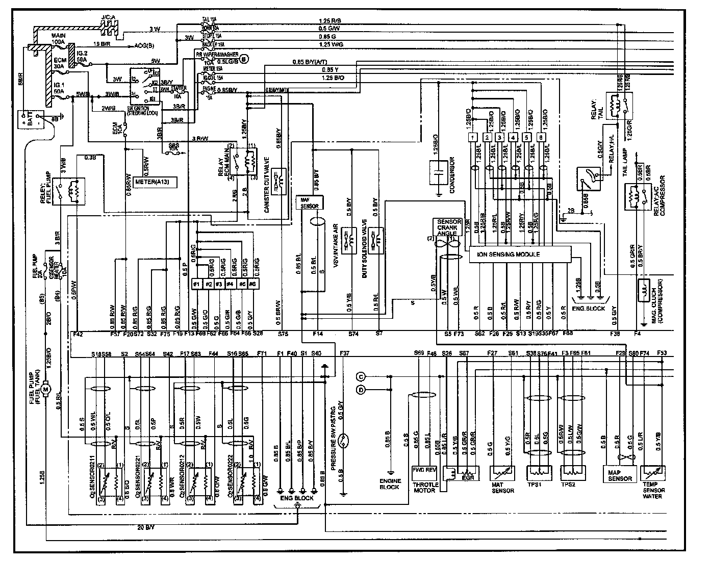
Engine Control Module

PCM - 1:



PCM - 2: