lemon-mirror:
Home >> Isuzu >> 2003 >> Axiom 2WD V6-3.5L >> Repair and Diagnosis >> Powertrain Management >> Computers and Control Systems >> Engine Control Module >> Diagrams >> Electrical Diagrams

Electrical Diagrams

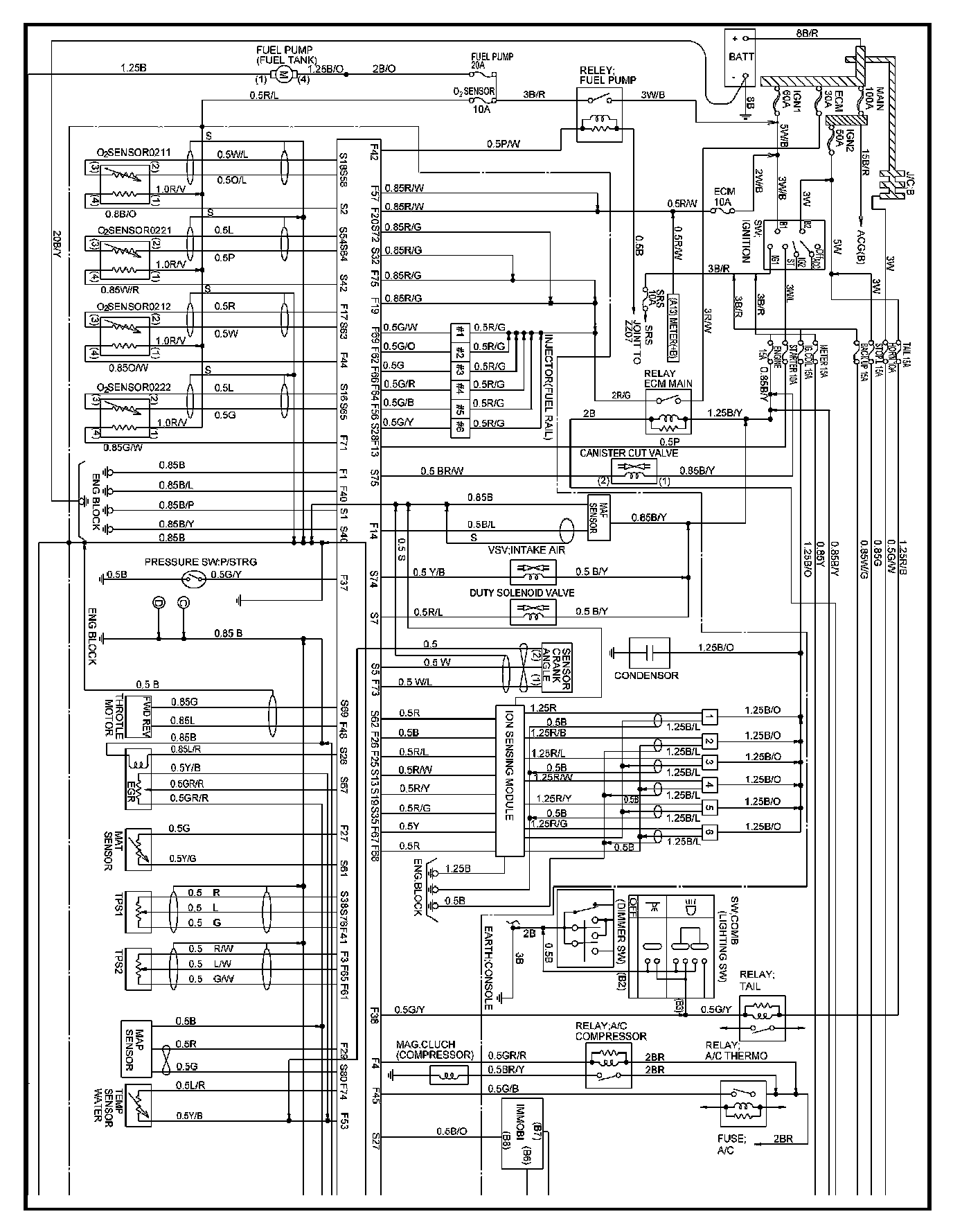
PCM - 1:



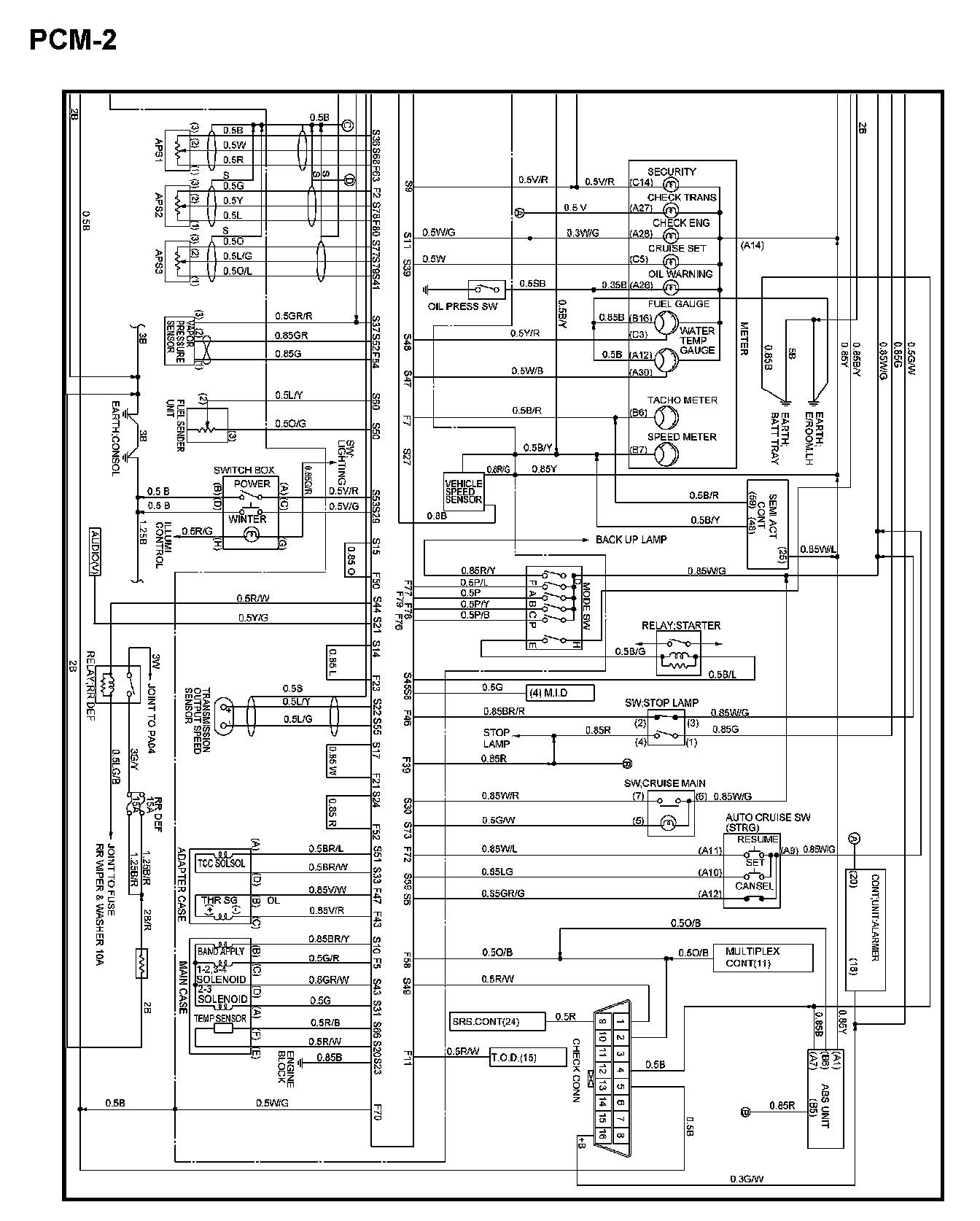
PCM - 2: