lemon-mirror:
Home >> Isuzu >> 2003 >> Axiom 2WD V6-3.5L >> Repair and Diagnosis >> Diagrams >> Electrical Diagrams >> General Module

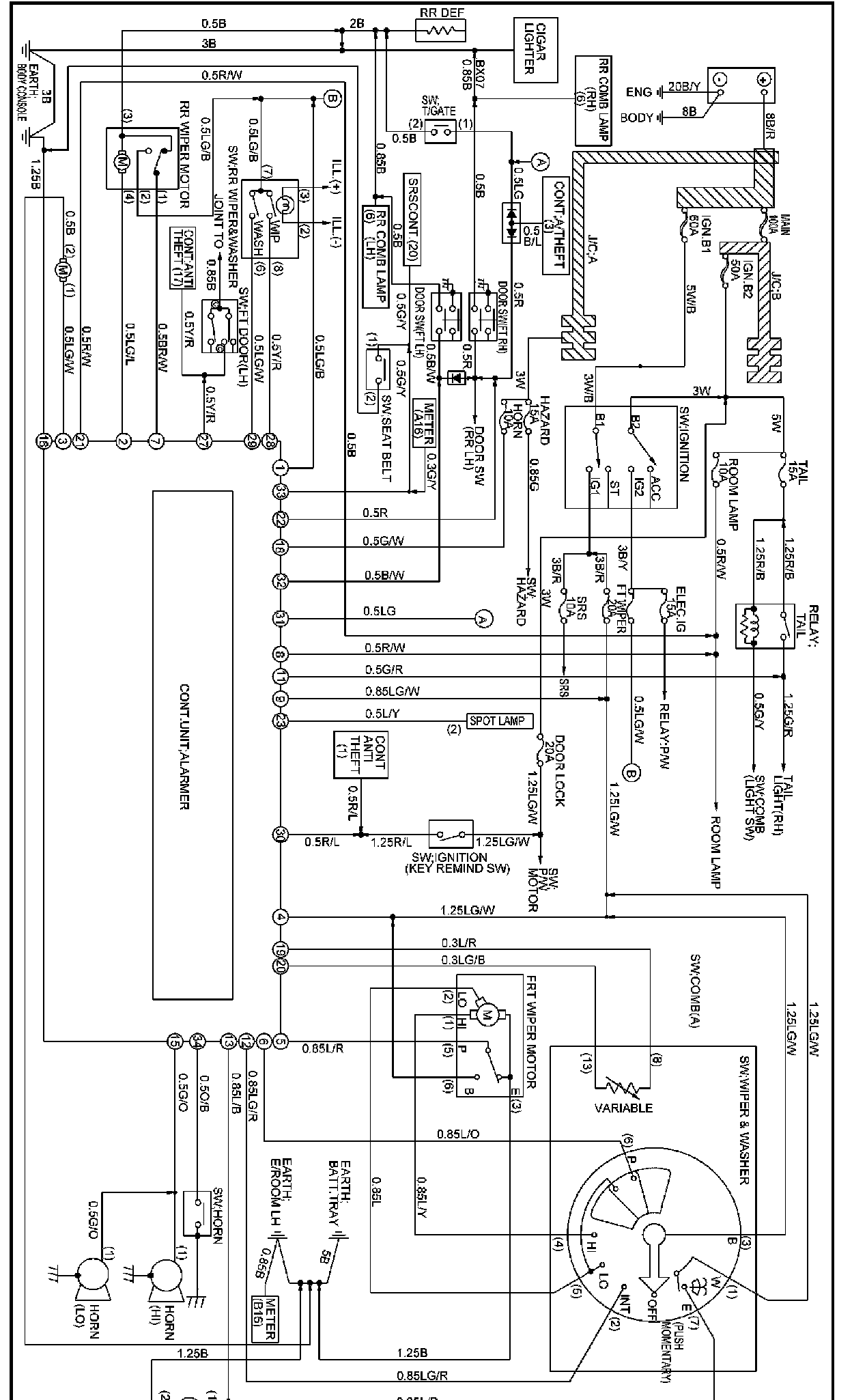
General Module

<`m Alarm And Relay Control Unit: