lemon-mirror:
Home >> Isuzu >> 2003 >> Ascender 2WD V8-5.3L >> Repair and Diagnosis >> Powertrain Management >> Computers and Control Systems >> Knock Sensor >> Service and Repair

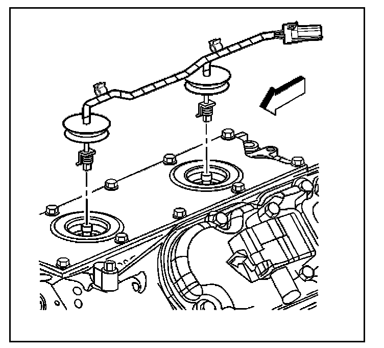
Knock Sensor: Service and Repair

Knock Sensor (KS) Replacement

Removal Procedure
1. Remove the intake manifold.
2. Gently pry up the rubber covers.







3. Disconnect the knock sensor electrical connectors.







4. Remove the knock sensors.

Installation Procedure








1. Install the knock sensors.

Tighten the sensors to .........................20 N.m (15 lb ft).

2. Connect the knock sensor electrical connectors.







3. Install the intake manifold.