lemon-mirror:
Home >> Isuzu >> 2003 >> Ascender 2WD V8-5.3L >> Repair and Diagnosis >> Diagrams >> Exploded Views >> Engine >> Intake Manifold/Upper Engine

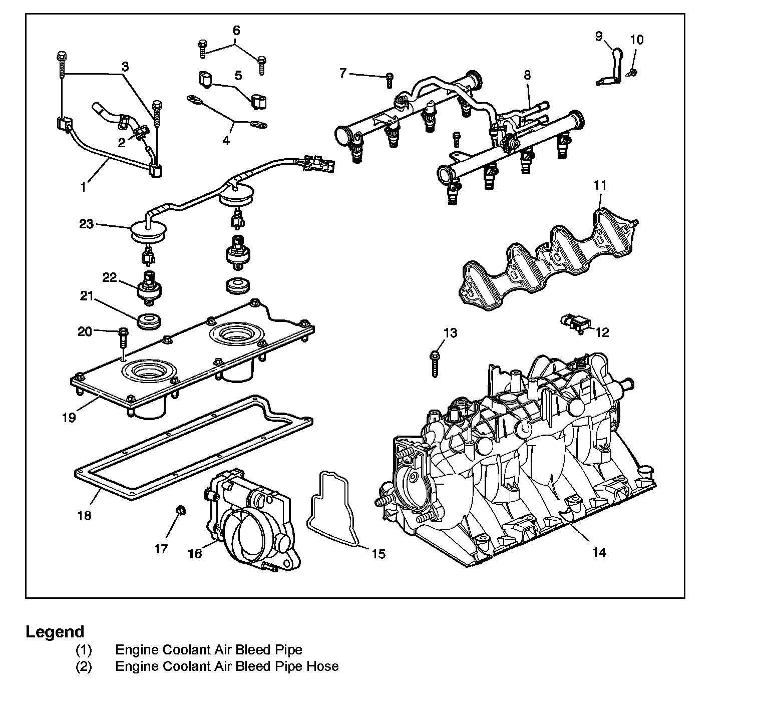
Intake Manifold/Upper Engine

Intake Manifold/Upper Engine (1 Of 2):




Intake Manifold/Upper Engine (2 Of 2):