lemon-mirror:
Home >> Isuzu >> 2003 >> Ascender 2WD L6-4.2L >> Repair and Diagnosis >> Powertrain Management >> Computers and Control Systems >> Transmission Position Sensor/Switch >> Locations

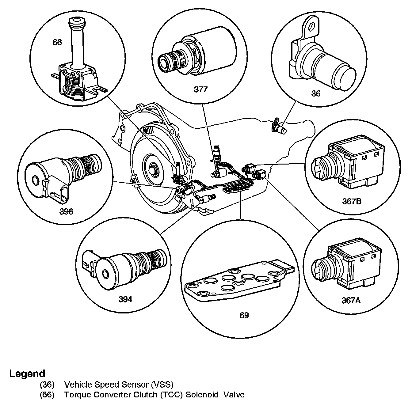
Transmission Position Sensor/Switch: Locations

Automatic Transmission Electronic Component Views

Electronic Components:







Park Neutral Position (PNP) Switch:




C175:




Vehicle Speed Sensor (VSS):