lemon-mirror:
Home >> Isuzu >> 2003 >> Ascender 2WD L6-4.2L >> Repair and Diagnosis >> Powertrain Management >> Computers and Control Systems >> Knock Sensor >> Service and Repair

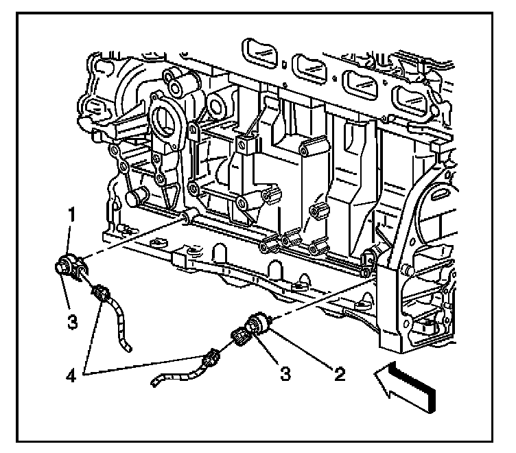
Knock Sensor: Service and Repair

Knock Sensor (KS) Replacement

Removal Procedure
1. Raise the vehicle. Refer to Vehicle Lifting.
2. Remove the knock sensor harness connector (4).
3. Remove the knock sensor retaining bolt (3).







4. Remove the appropriate knock sensor (1 or 2).



Installation Procedure



1. Install the knock sensor (1 or 2) and the bolt (3).

Tighten the sensor to .............................25 N.m (18 lb ft).


2. Connect the knock sensor harness connector (4).







3. Lower the vehicle.