lemon-mirror:
Home >> Isuzu >> 2002 >> Rodeo S 2WD L4-2.2L >> Repair and Diagnosis >> Diagrams >> Electrical Diagrams >> Powertrain Management >> Engine Control Module

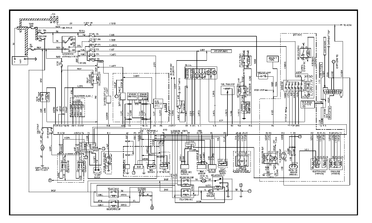
Engine Control Module

ECM: