lemon-mirror:
Home >> Isuzu >> 2002 >> Axiom 2WD V6-3.5L >> Repair and Diagnosis >> Specifications >> Mechanical Specifications >> Automatic Transmission/Transaxle >> System Specifications

System Specifications

Automatic Transmission (4L30-E)
General Specifications





1 of 2





2 of 2

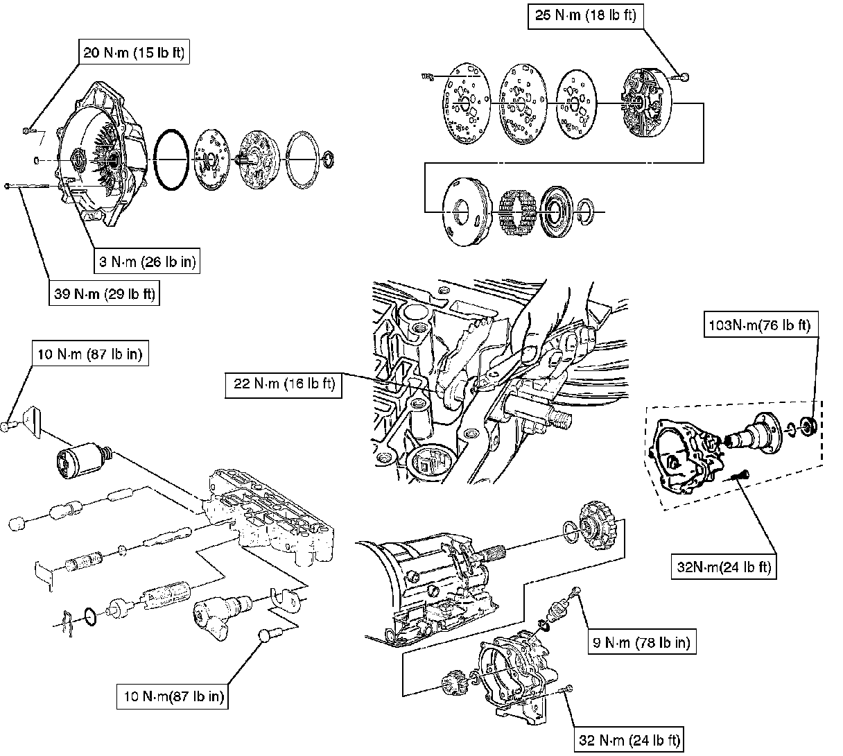
Torque Specifications





1 of 3





2 of 3





3 of 3





Transmission Fluid Temperature (TFT) Sensor Specifications