lemon-mirror:
Home >> Isuzu >> 2002 >> Axiom 2WD V6-3.5L >> Repair and Diagnosis >> Powertrain Management >> Computers and Control Systems >> Engine Control Module >> Diagrams >> Electrical Diagrams

Electrical Diagrams

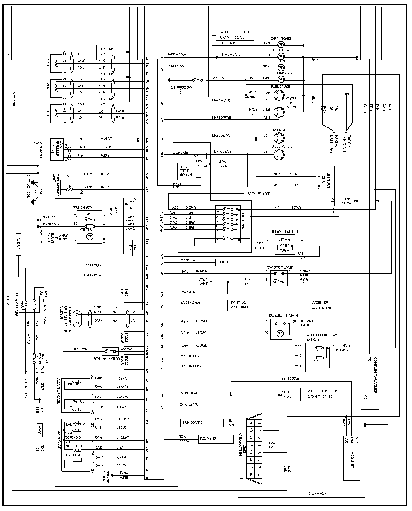
PCM-1:



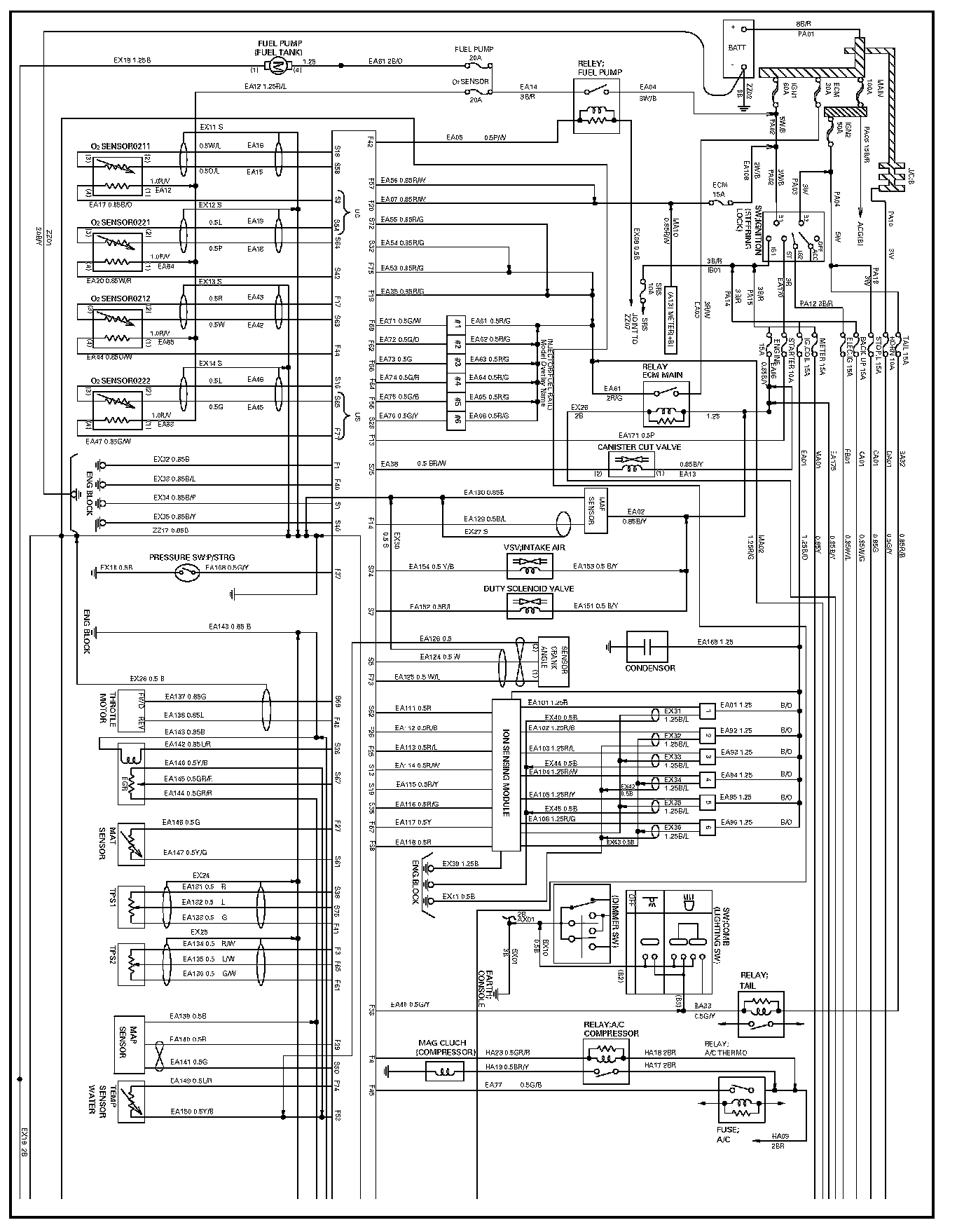
PCM-2: