lemon-mirror:
Home >> Isuzu >> 2002 >> Axiom 2WD V6-3.5L >> Repair and Diagnosis >> Diagrams >> Electrical Diagrams >> General Module

General Module

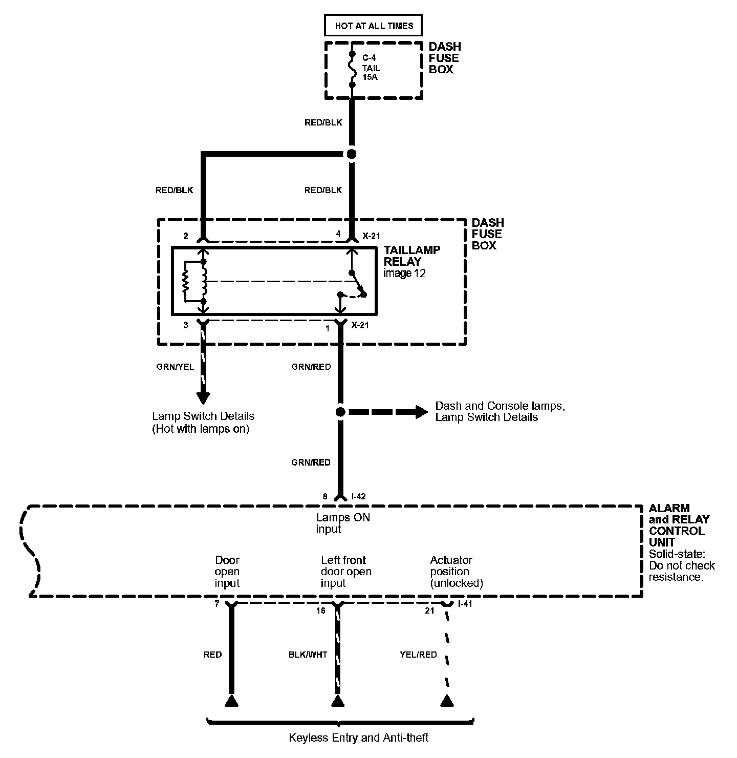
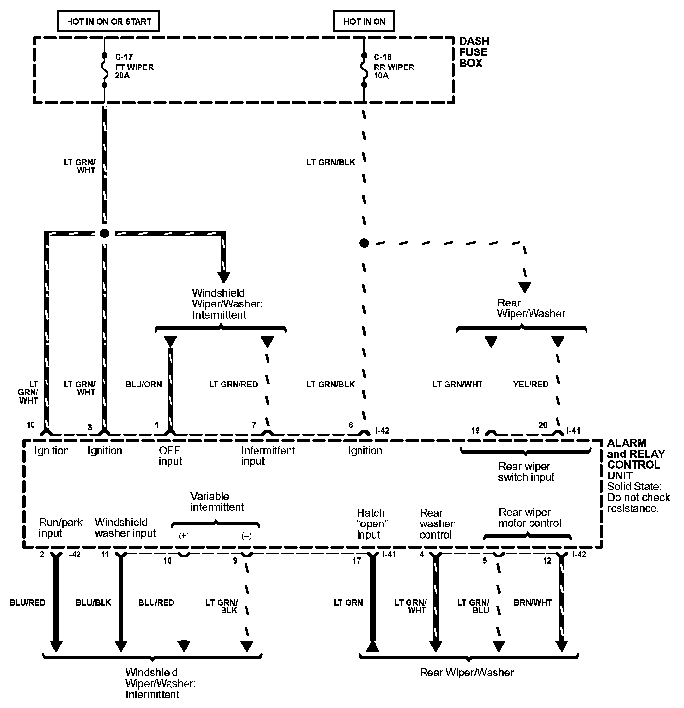
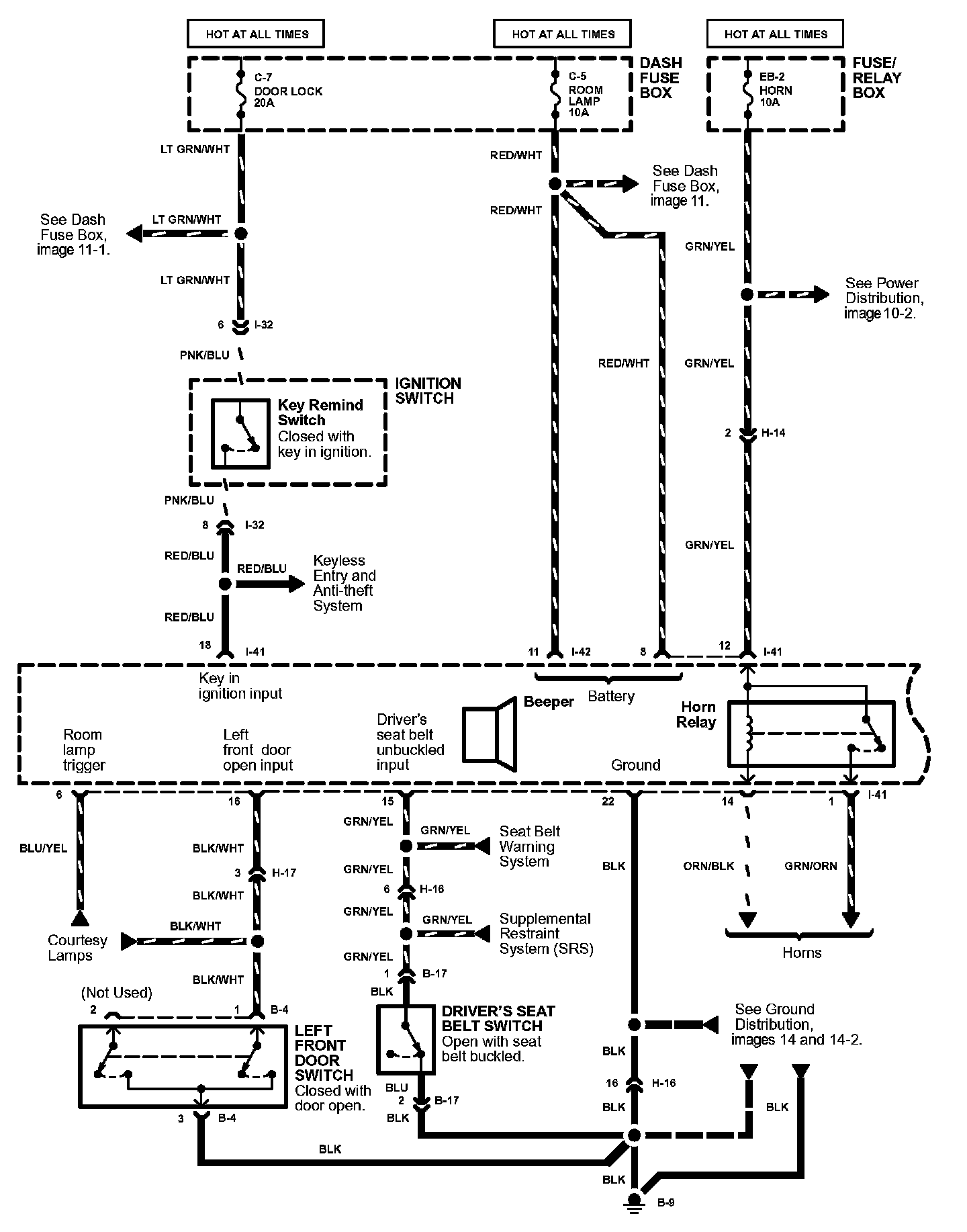
Alarm And Relay Control Unit:



Alarm And Relay Controls Image 70:



Alarm And Relay Controls Image 70-1:



Alarm And Relay Controls Image 70-2: