lemon-mirror:
Home >> Isuzu >> 2001 >> VehiCROSS 4WD V6-3.5L >> Repair and Diagnosis >> Diagrams >> Exploded Views >> Cylinder Block Assembly

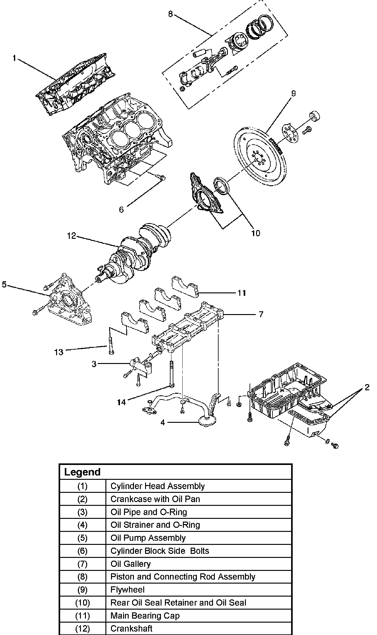
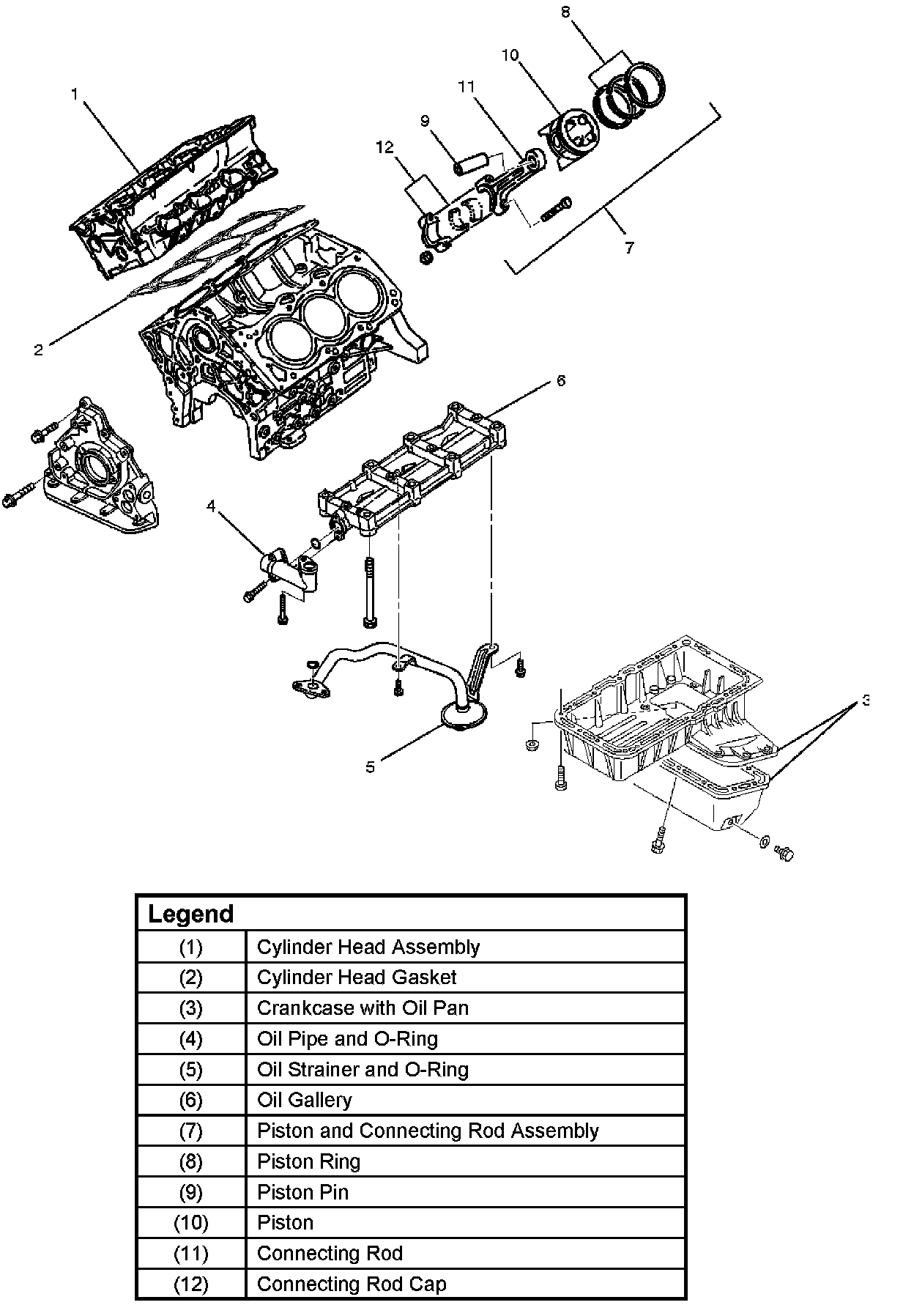
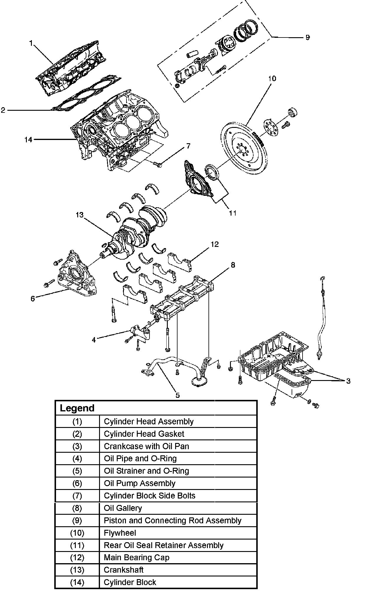
Cylinder Block Assembly

Piston, Piston Ring and Connecting Rod:



Cylinder Block and Associated Parts:



Crankshaft and Main Bearings:



Piston, Piston Ring and Connecting Rod:



_°Crankshaft and Main Bearings: