lemon-mirror:
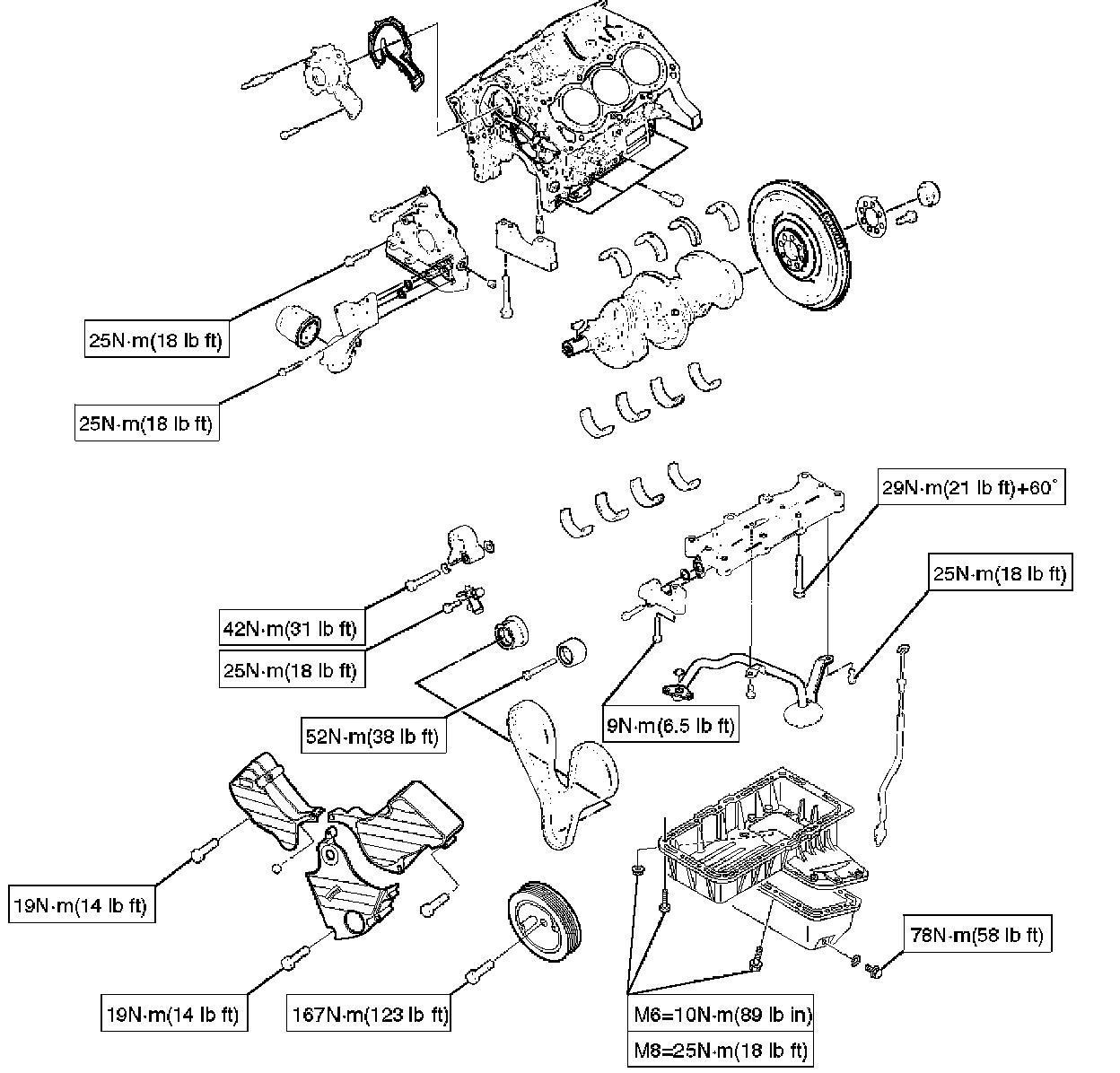
Home >> Isuzu >> 2001 >> Trooper LS 2WD V6-3.5L >> Repair and Diagnosis >> Specifications >> Mechanical Specifications >> Engine >> Engine Lubrication >> System Specifications

System Specifications