lemon-mirror:
Home >> Isuzu >> 2001 >> Trooper LS 2WD V6-3.5L >> Repair and Diagnosis >> Specifications >> Mechanical Specifications >> Engine >> Cylinder Block Assembly >> System Specifications >> Cylinder Block Assembly >> Torque Specifications

Torque Specifications

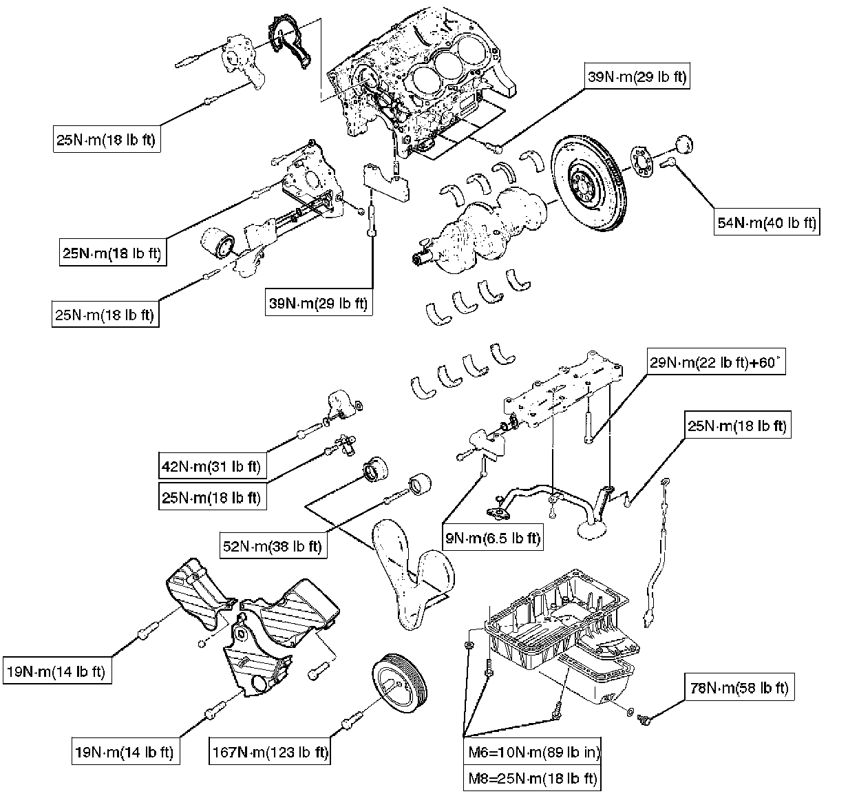
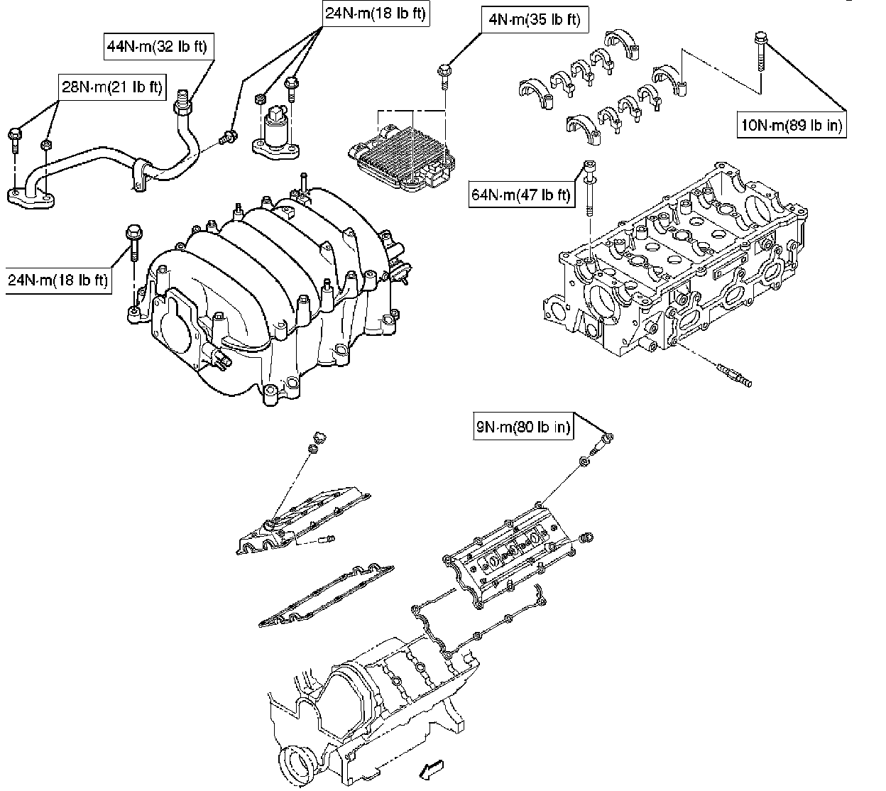
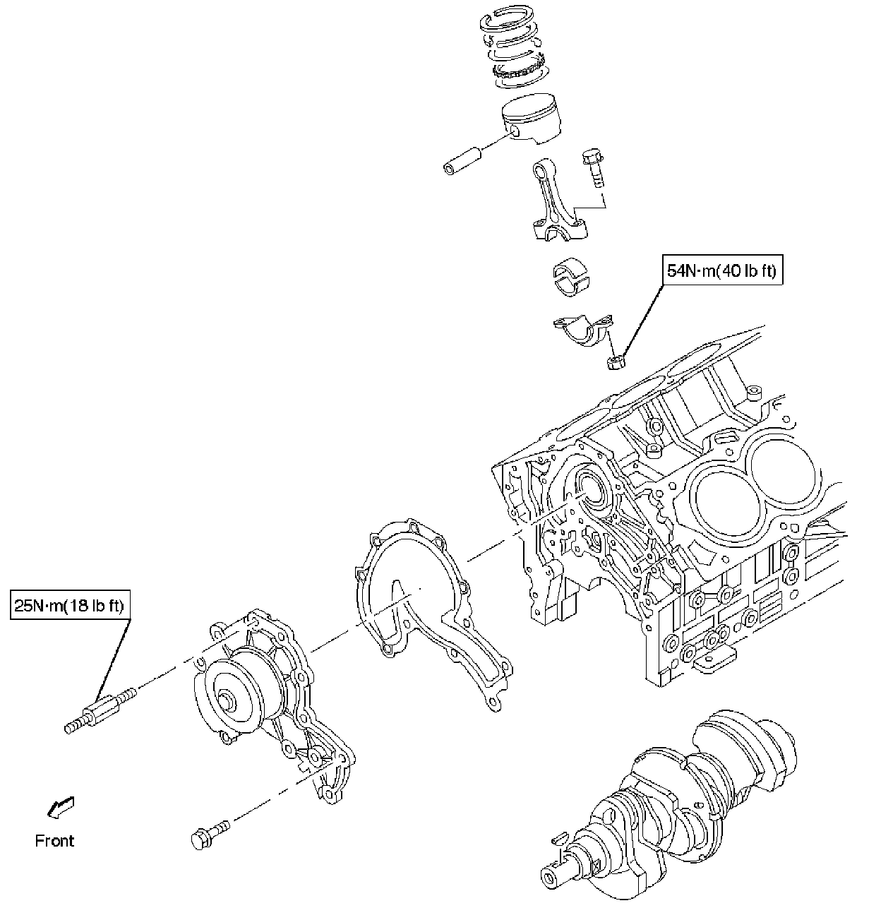
TORQUE SPECIFICATIONS





Cylinder Head Cover, Cylinder Head, Camshaft Bearing Cap, Common Chamber, EGR Valve and EGR Pipe, Ion Sensing Module,





Crankshaft Main Bearing, Flywheel, Crankcase, Oil Pan, Timing Belt Tensioner, Timing Pulley, Timing Belt Cover, Oil Pump, Oil Gallery, Oil Strainer and Water Pump





Connecting Rod and Water Pump





Engine Mount