lemon-mirror:
Home >> Isuzu >> 2001 >> Trooper LS 2WD V6-3.5L >> Repair and Diagnosis >> Diagrams >> Exploded Views >> Oil Pump, Engine

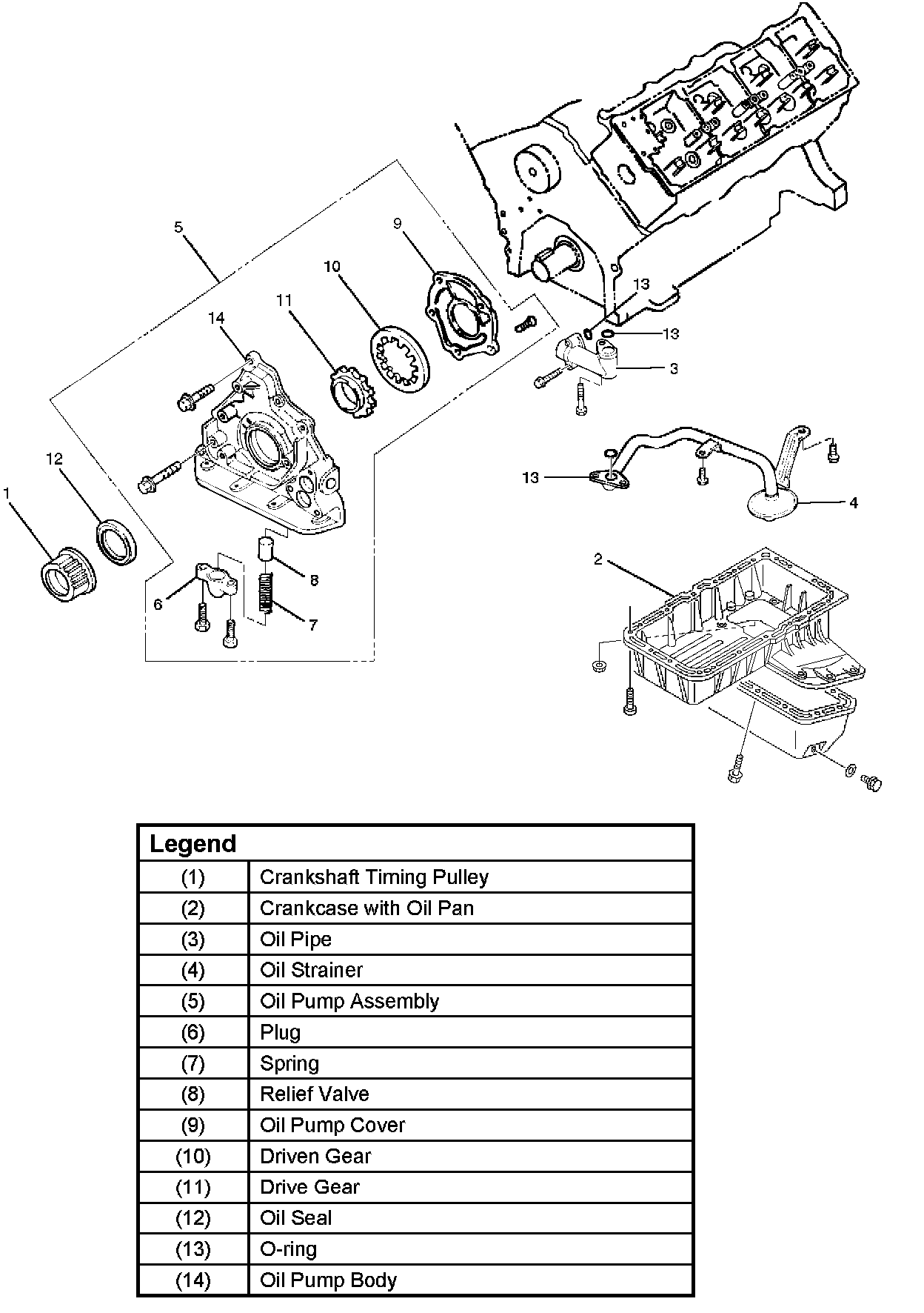
Oil Pump, Engine