lemon-mirror:
Home >> Isuzu >> 2001 >> Rodeo LS 2WD V6-3.2L >> Repair and Diagnosis >> Powertrain Management >> Computers and Control Systems >> Shift Light >> Testing and Inspection

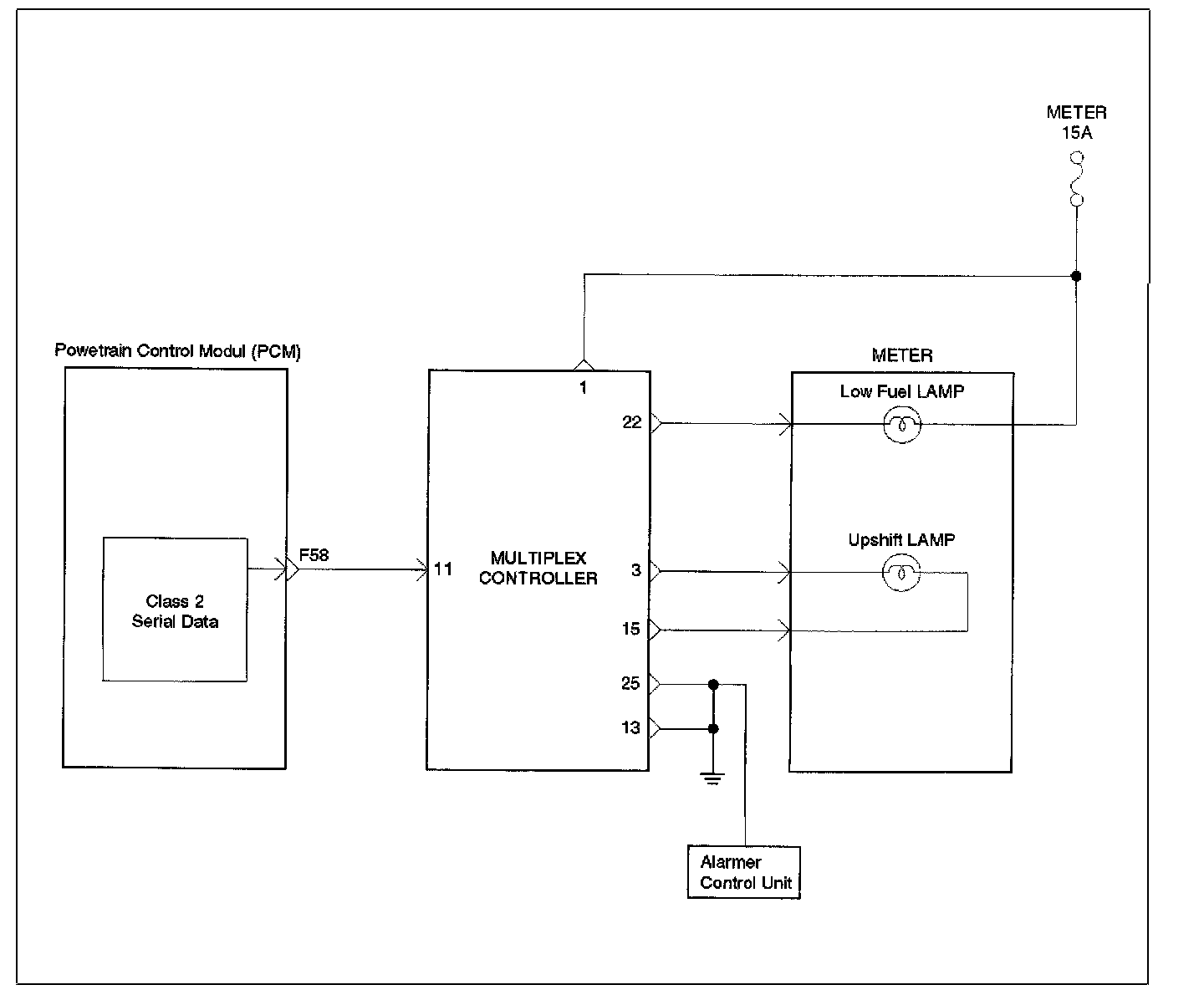
Shift Light: Testing and Inspection

Upshift Lamp System Check (Manual Transmisssion Only)




Circuit Description
The Upshift Lamp should always be illuminated and steady with the ignition "ON" and the engine stopped. Ignition feed voltage is supplied to the Upshift Lamp bulb through the meter fuse. The powertrain control module (PCM) orders the Upshift Lamp "ON" signal for Multiplex Control Unit. When Multiplex Control Unit is received Upshift Lamp "ON" signal that turn Upshift Lamp "ON" by grounding the Upshift Lamp driver circuit.

Diagnostic Aids
An intermittent Upshift Lamp may be cased by a poor connection, rubbed-through wire insulation, or a wire broken inside the insulation. Check for the following items:
- Inspect the PCM and Multiplex Control Unit harness and connections for improper mating, broken locks, improperly formed or damaged terminals, poor terminal-to-wire connection, and damaged harness.
- If the engine runs OK, check for a faulty light bulb, an open in the MIL driver circuit, or an open in the instrument cluster ignition feed.
- If the engine cranks but will not run, check for an open PCM ignition or battery feed, or a poor PCM to engine ground.

Steps 1 - 9:




Steps 10 - 18:




Steps 19 - 20:




Test Description