lemon-mirror:
Home >> Isuzu >> 2000 >> VehiCROSS 4WD V6-3.5L >> Repair and Diagnosis >> Powertrain Management >> Transmission Control Systems >> Description and Operation >> Powertrain Control Module (PCM)

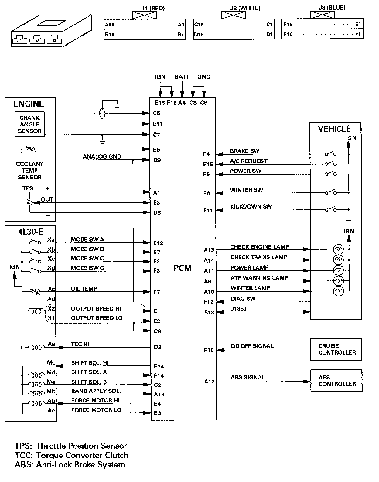
Powertrain Control Module (PCM)