lemon-mirror:
Home >> Isuzu >> 2000 >> Trooper LS V6-3.5L >> Repair and Diagnosis >> Heating and Air Conditioning >> Specifications >> Torque Specifications

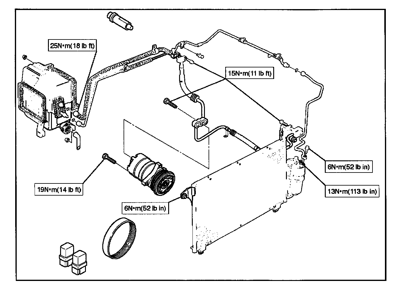
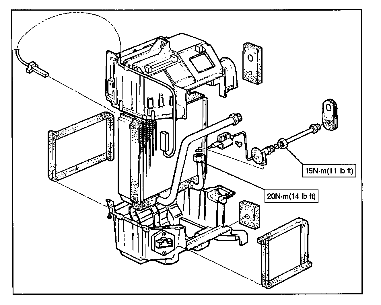
Torque Specifications

Part 1 Of 2:



Part 2 Of 2: