lemon-mirror:
Home >> Isuzu >> 2000 >> Trooper LS V6-3.5L >> Repair and Diagnosis >> Diagrams >> Exploded Views >> Steering >> Steering Column

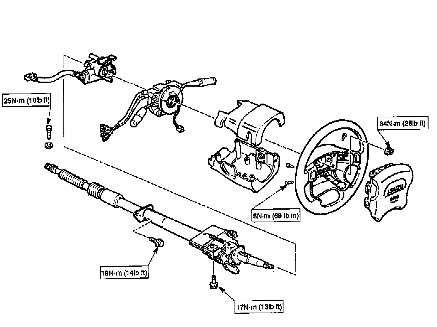
Steering Column