lemon-mirror:
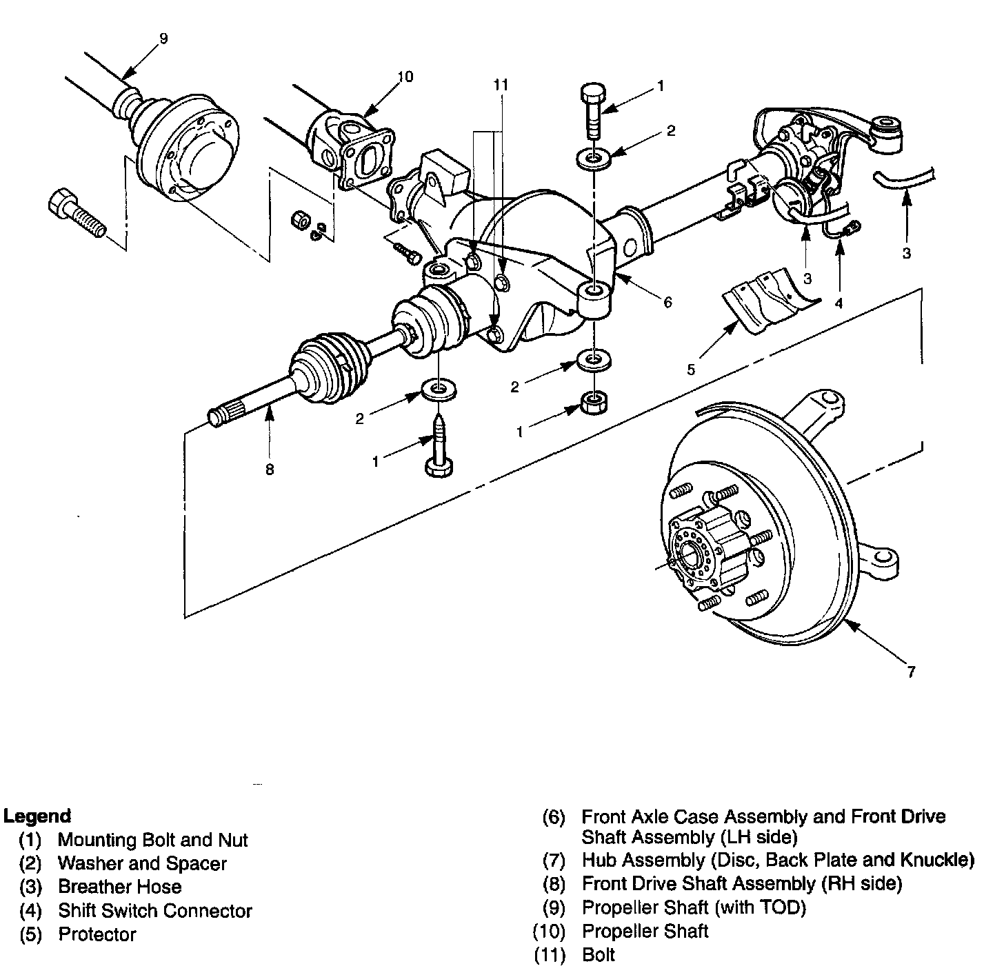
Home >> Isuzu >> 2000 >> Trooper LS V6-3.5L >> Repair and Diagnosis >> Diagrams >> Exploded Views >> Differential Assembly >> System Diagram >> Unit Removal and Installation >> Front

Front