lemon-mirror:
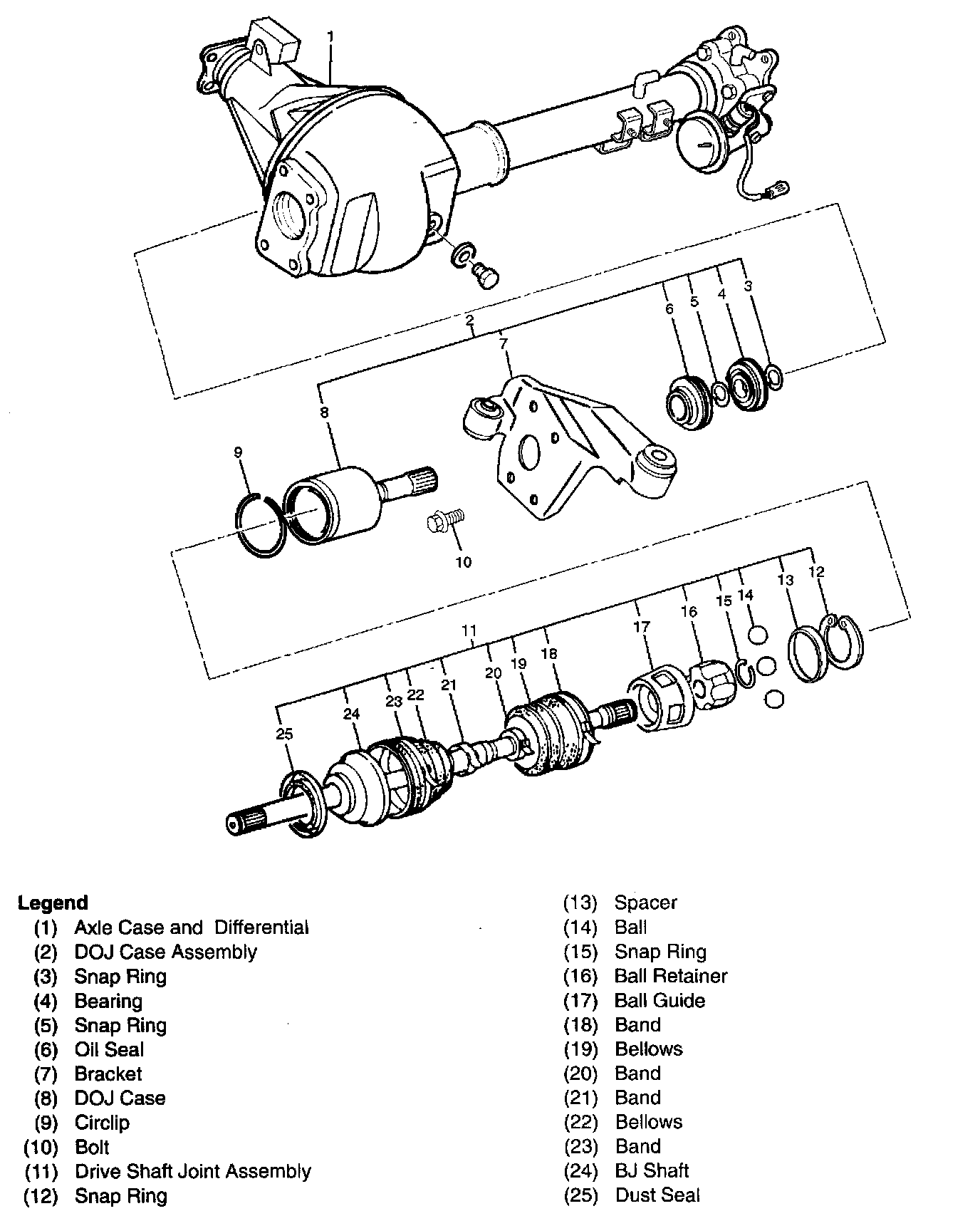
Home >> Isuzu >> 2000 >> Trooper LS V6-3.5L >> Repair and Diagnosis >> Diagrams >> Exploded Views >> Axle Shaft Assembly >> System Diagram

System Diagram