lemon-mirror:
Home >> Isuzu >> 2000 >> Trooper LS V6-3.5L >> Repair and Diagnosis >> Diagrams >> Electrical Diagrams >> Control Module, A/T

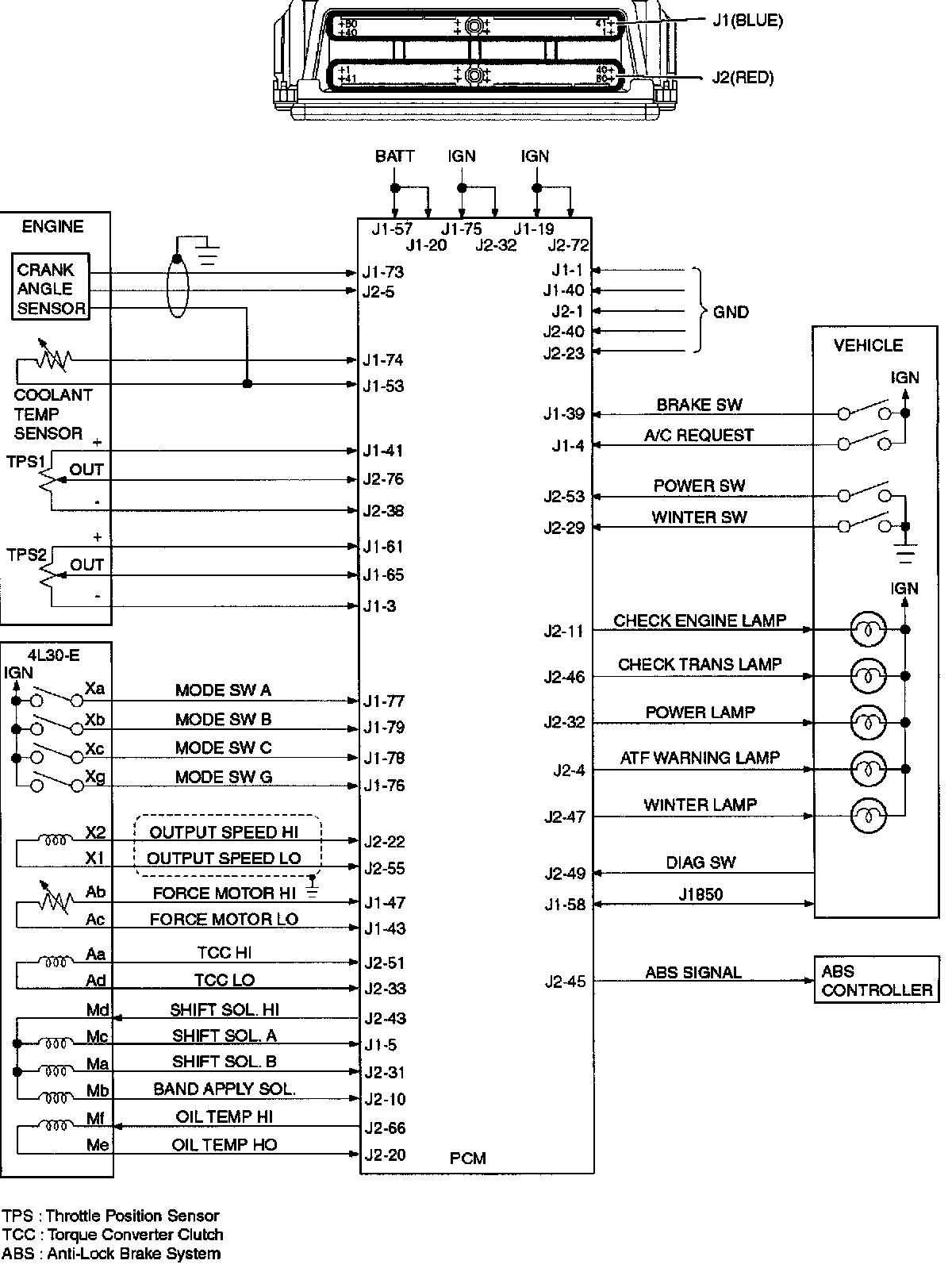
Control Module, A/T