lemon-mirror:
Home >> Isuzu >> 2000 >> Rodeo S 2WD L4-2.2L >> Repair and Diagnosis >> Powertrain Management >> Computers and Control Systems >> Locations >> Component Locations >> Undercarriage Components

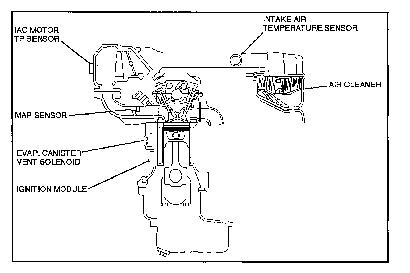
Undercarriage Components

Undercarriage Component Locator:



Undercarriage Component Locator: