lemon-mirror:
Home >> Isuzu >> 2000 >> Rodeo S 2WD L4-2.2L >> Repair and Diagnosis >> Diagrams >> Exploded Views >> Oil Pump, Engine

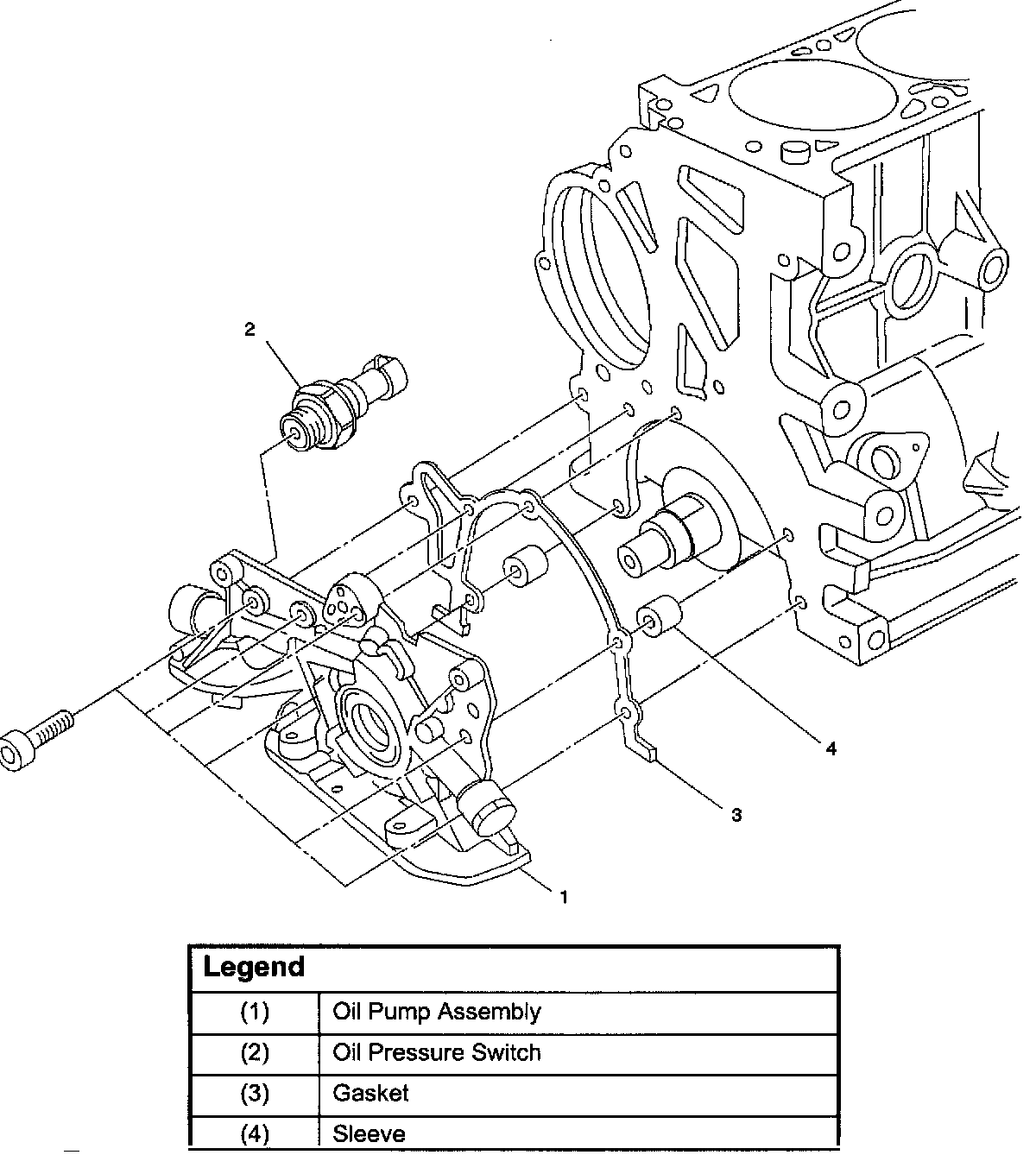
Oil Pump, Engine