lemon-mirror:
Home >> Isuzu >> 2000 >> Rodeo LSE 2WD V6-3.2L >> Repair and Diagnosis >> Specifications >> Mechanical Specifications >> Engine >> System Specifications >> Engine >> Torque Specifications

Torque Specifications

Torque Specifications





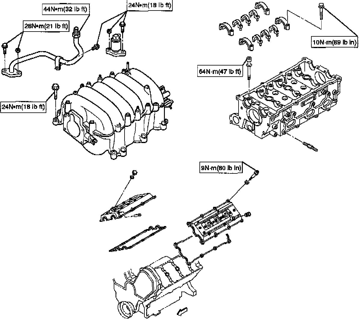
Ignition coil, Spark plug, Crankshaft angle sensor and Under cover





Cylinder head cover, Cylinder head, Camshaft bracket, Common chamber, EGR valve and EGR pipe





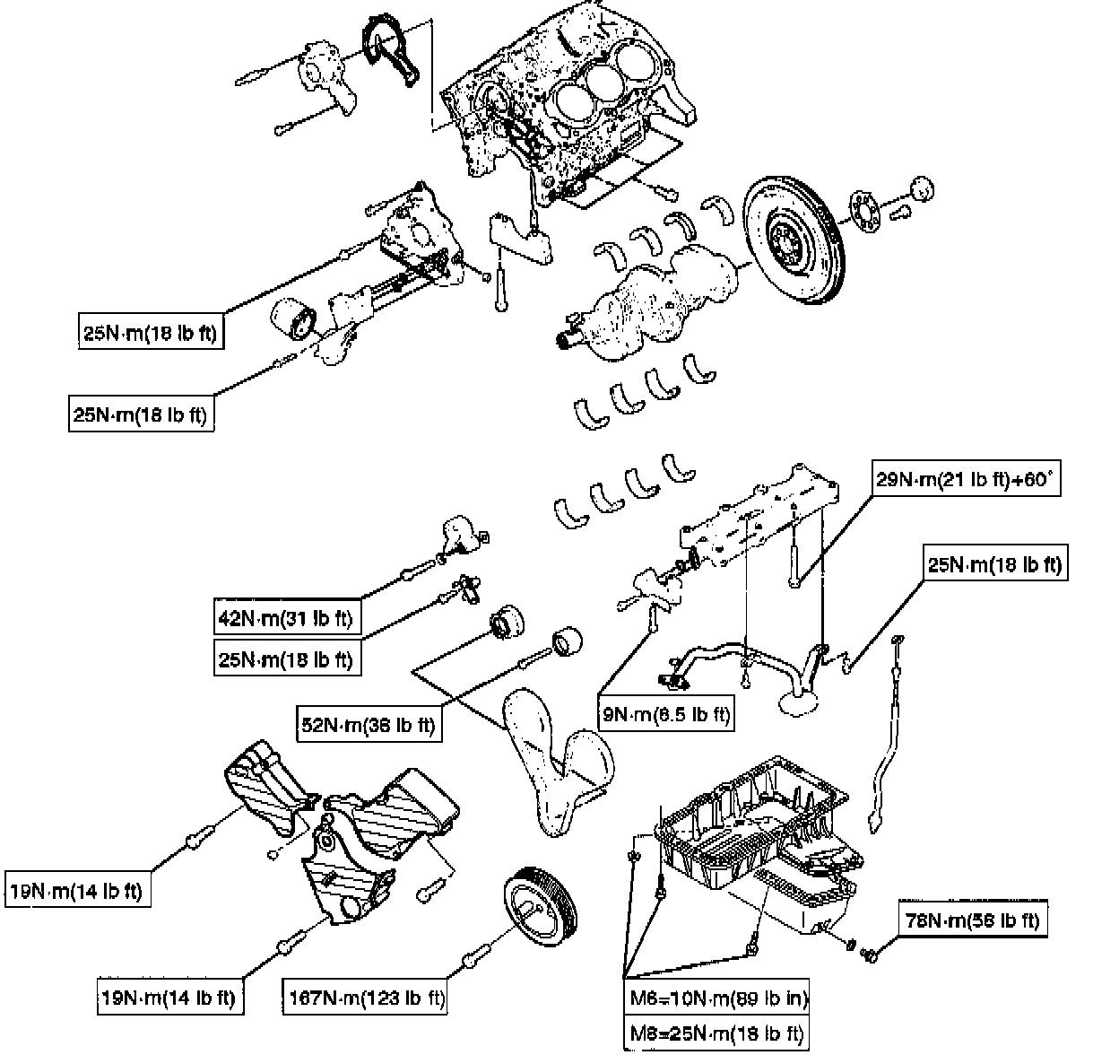
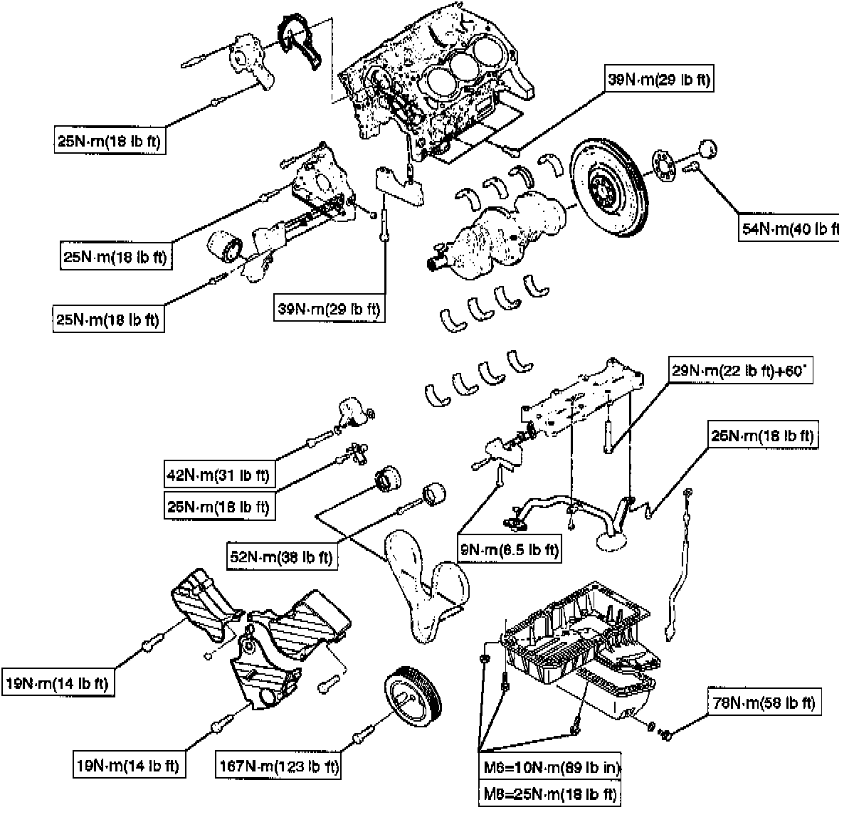
Crankshaft main bearing, Flywheel, Crankcase, Oil pan, Timing belt tensioner, Timing pulley, Timing belt cover, Oil pump, Oil gallery, Oil strainer and water pump





Crankcase, Oil Pan, Timing Belt Tensioner, Timing Pulley, Timing Belt Cover, Oil Pump, Oil Gallery, Oil Strainer





Connecting Rod And Water Pump





Engine Mount