lemon-mirror:
Home >> Isuzu >> 2000 >> Rodeo LS 2WD V6-3.2L >> Repair and Diagnosis >> Specifications >> Mechanical Specifications >> Door Locks

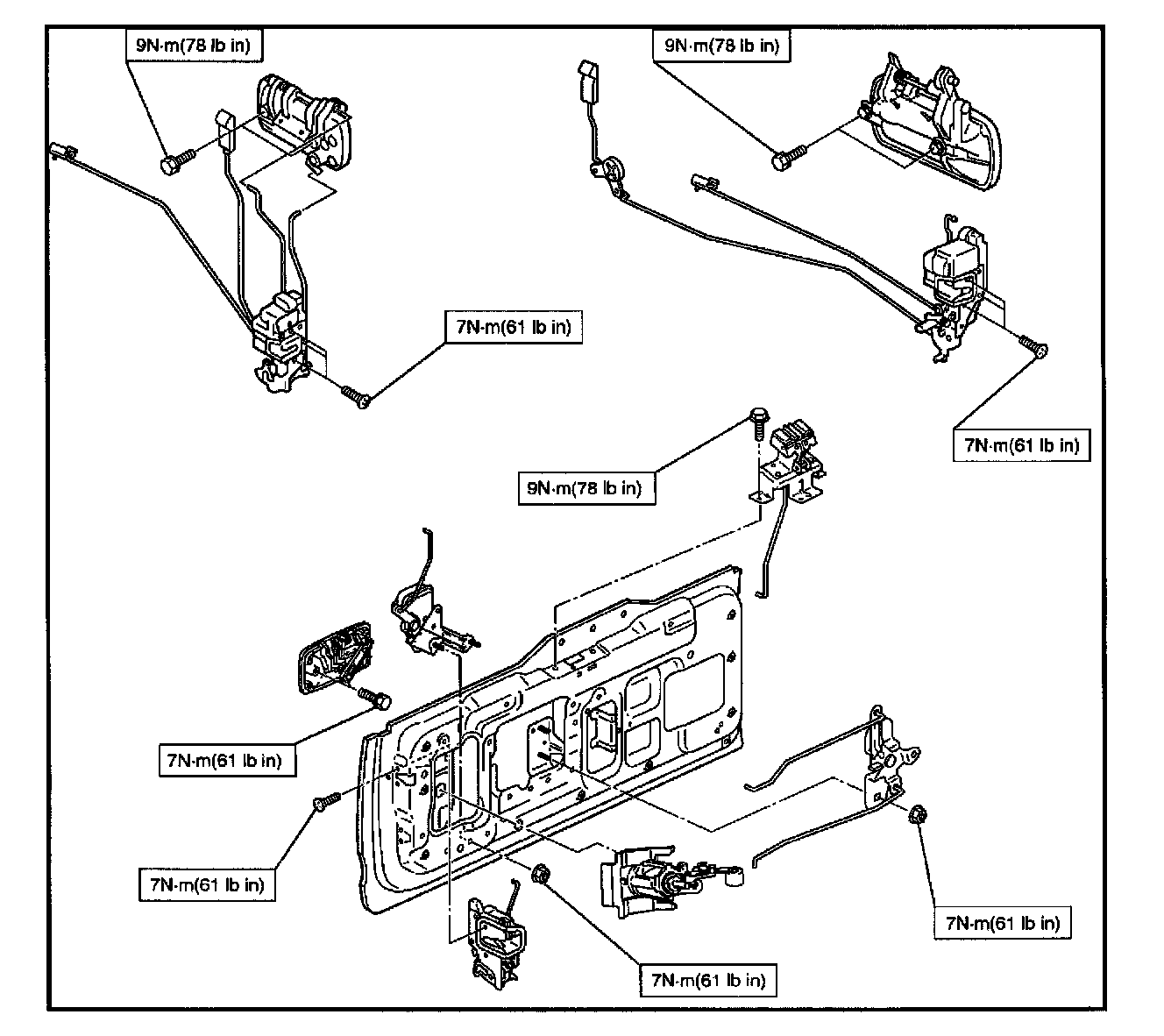
Door Locks

Torque Specifications: