lemon-mirror:
Home >> Isuzu >> 2000 >> Rodeo LS 2WD V6-3.2L >> Repair and Diagnosis >> Specifications >> Mechanical Specifications >> Differential Assembly >> System Specifications >> Front Differential

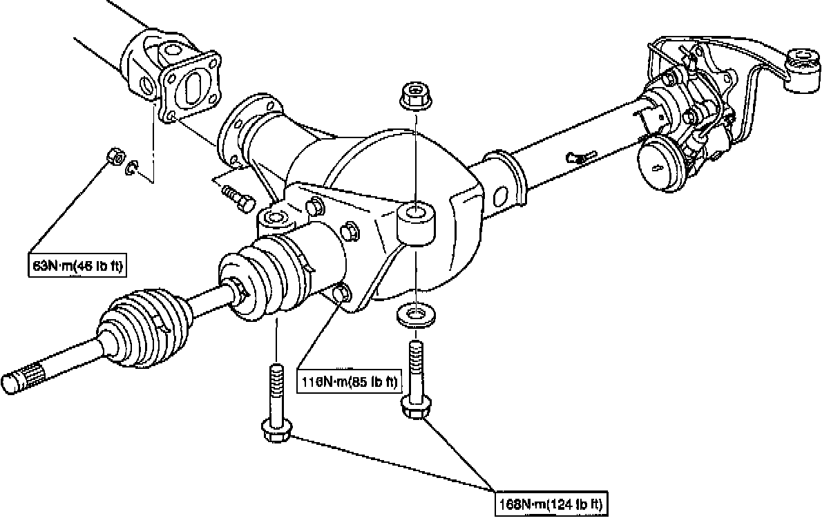
Front Differential

GENERAL SPECIFICATIONS





Romeo





Amigo








TORQUE SPECIFICATIONS