lemon-mirror:
Home >> Isuzu >> 2000 >> Rodeo LS 2WD V6-3.2L >> Repair and Diagnosis >> Heating and Air Conditioning >> Specifications

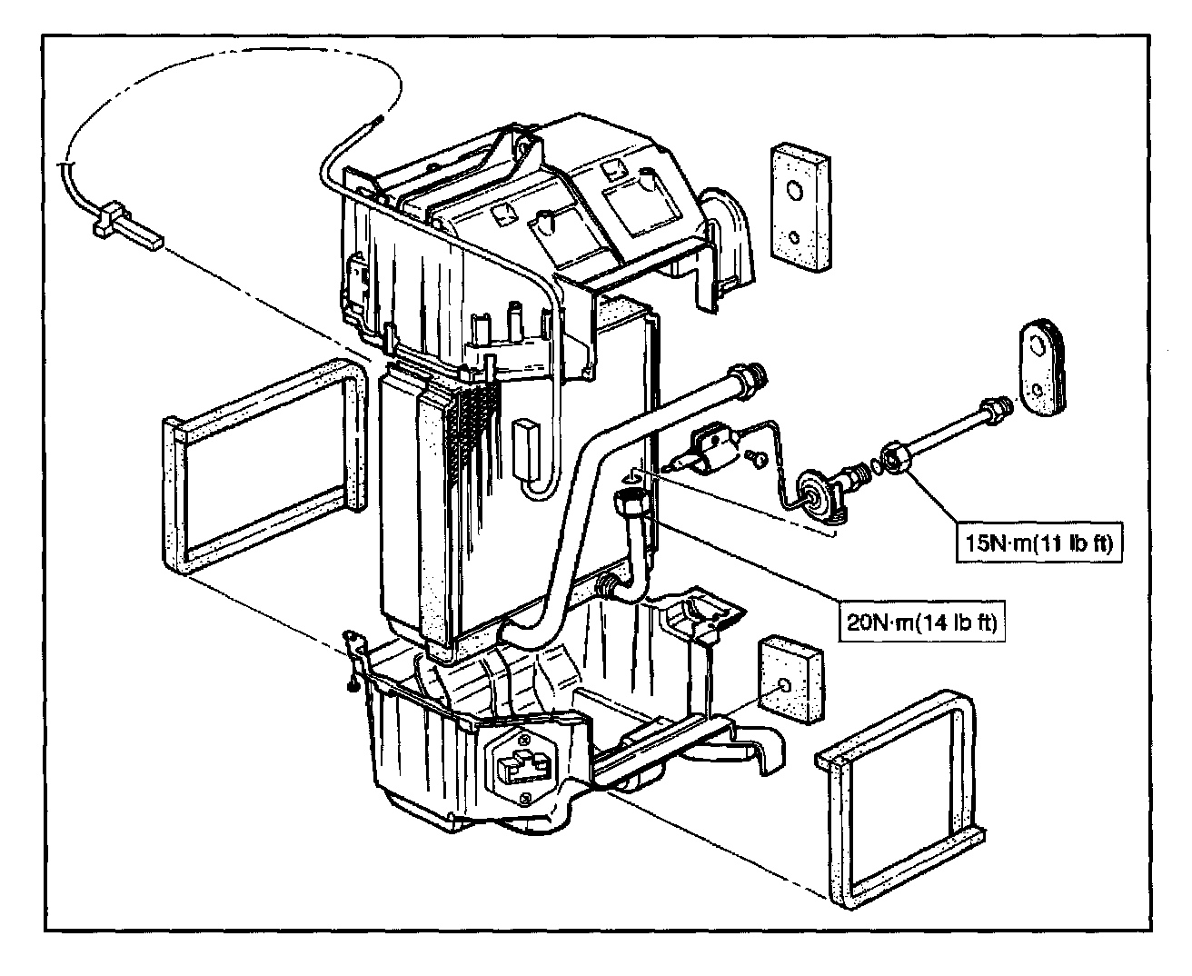
Heating and Air Conditioning: Specifications

General Specifications (Part 1 Of 2):



General Specifications (Part 2 Of 2):



Torque Specifications (Part 1 Of 2):



Torque Specifications (Part 2 Of 2):