lemon-mirror:
Home >> Isuzu >> 2000 >> Rodeo LS 2WD V6-3.2L >> Repair and Diagnosis >> Heating and Air Conditioning >> Control Assembly >> Testing and Inspection

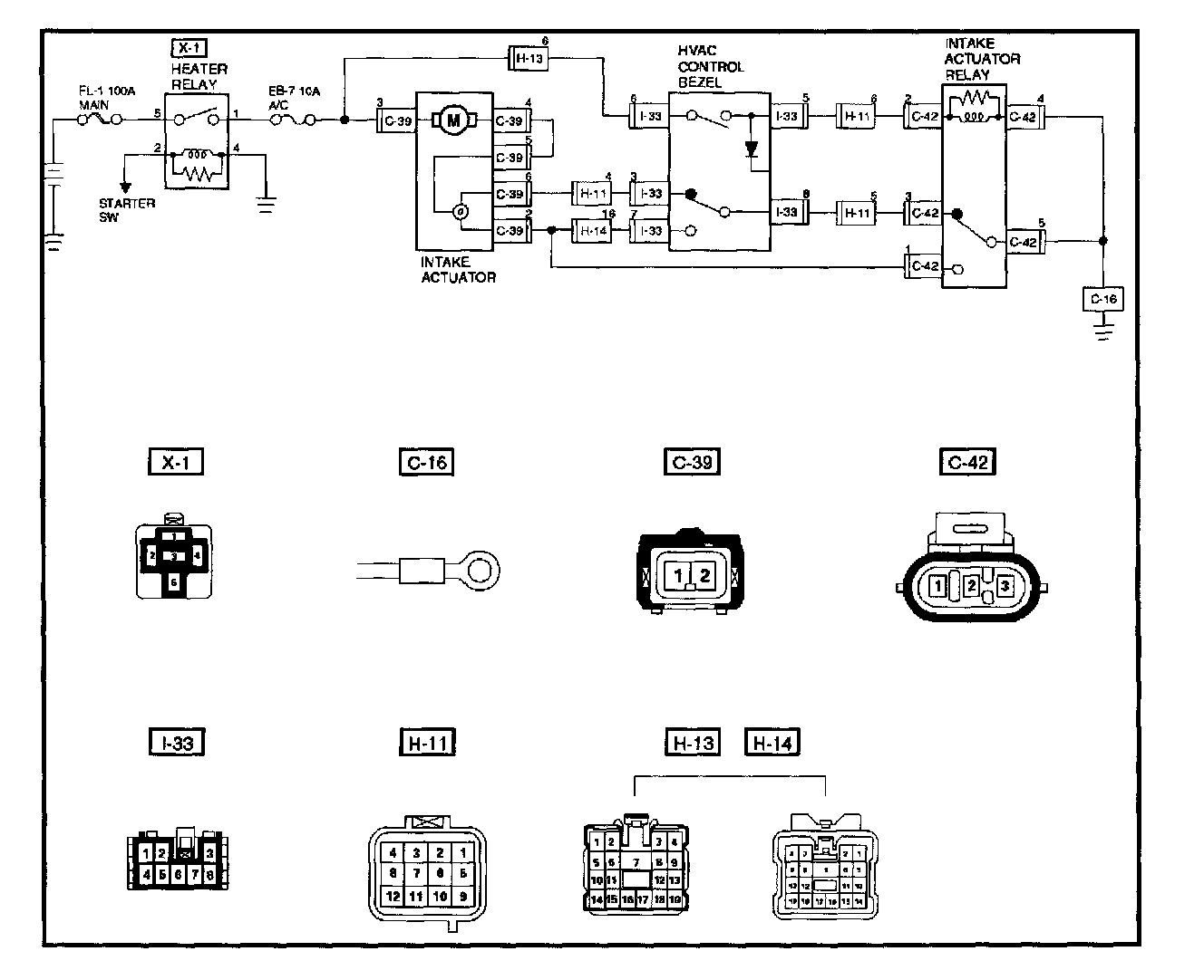
Control Assembly: Testing and Inspection









Air Source Select Lever Diagnosis


Steps 1 - 9:





Steps 10 - 13:





Chart A - FRESH Mode Inoperative


Steps 1 - 5:





Steps 6 - 9:





Chart B - RECIRC Mode Inoperative