lemon-mirror:
Home >> Isuzu >> 2000 >> Rodeo LS 2WD V6-3.2L >> Repair and Diagnosis >> Diagrams >> Exploded Views >> Cylinder Block Assembly >> System Diagram

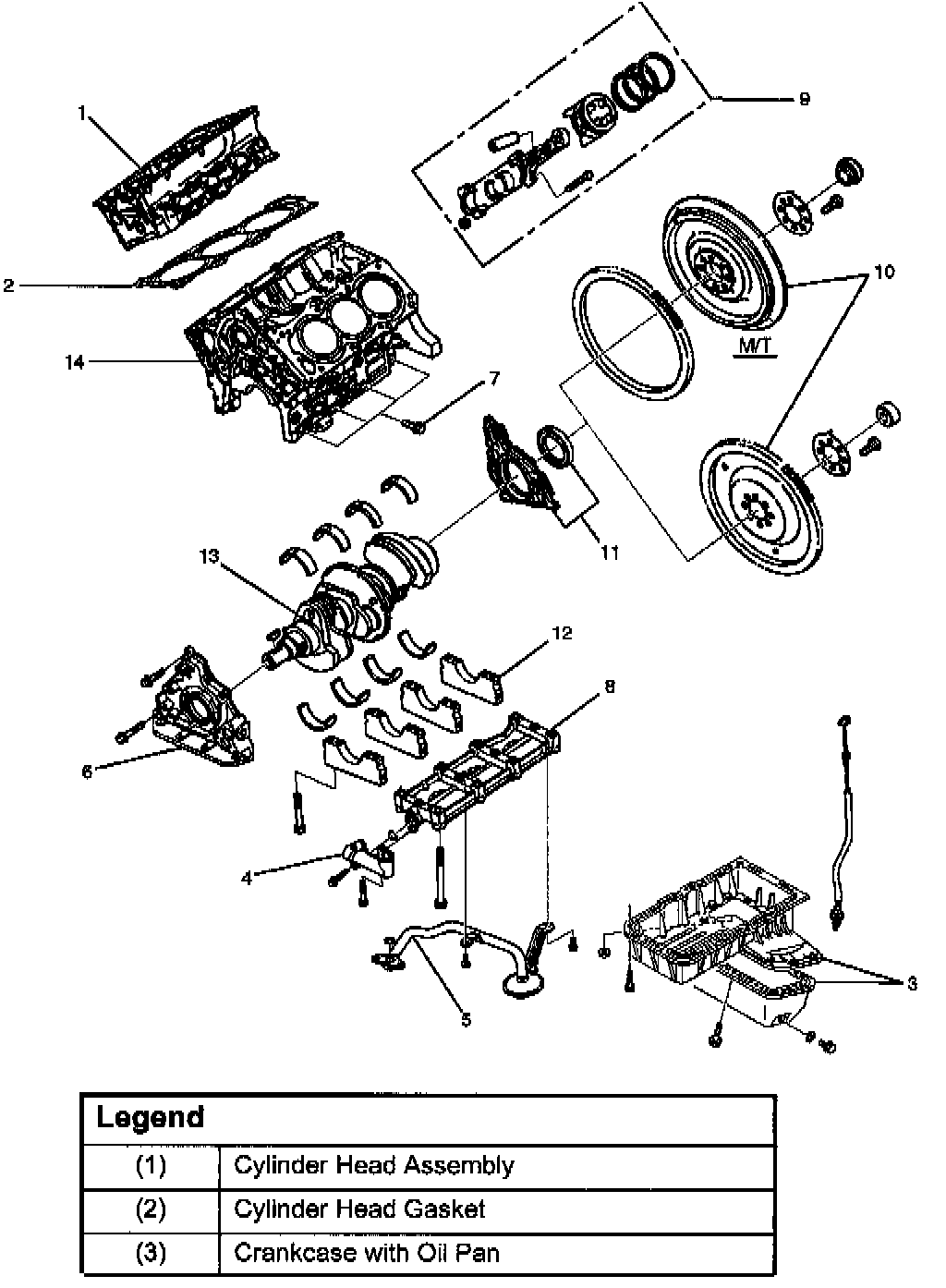
System Diagram









Cylinder Block and Associated Parts