lemon-mirror:
Home >> Isuzu >> 2000 >> Rodeo LS 2WD V6-3.2L >> Repair and Diagnosis >> Diagrams >> Exploded Views >> Cylinder Block Assembly >> Connecting Rod, Engine

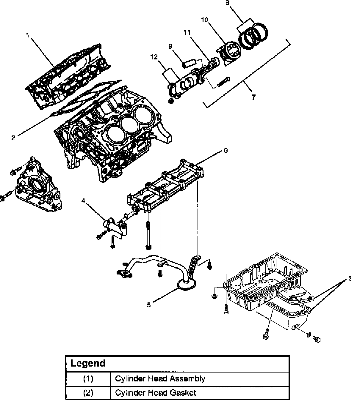
Connecting Rod, Engine









Piston, Connecting Rod and Associate Parts