lemon-mirror:
Home >> Isuzu >> 2000 >> Rodeo LS 2WD V6-3.2L >> Repair and Diagnosis >> Diagrams >> Exploded Views >> Automatic Transmission/Transaxle

Automatic Transmission/Transaxle








CASE AND ASSOCIATED PARTS





PUMP ASSEMBLY








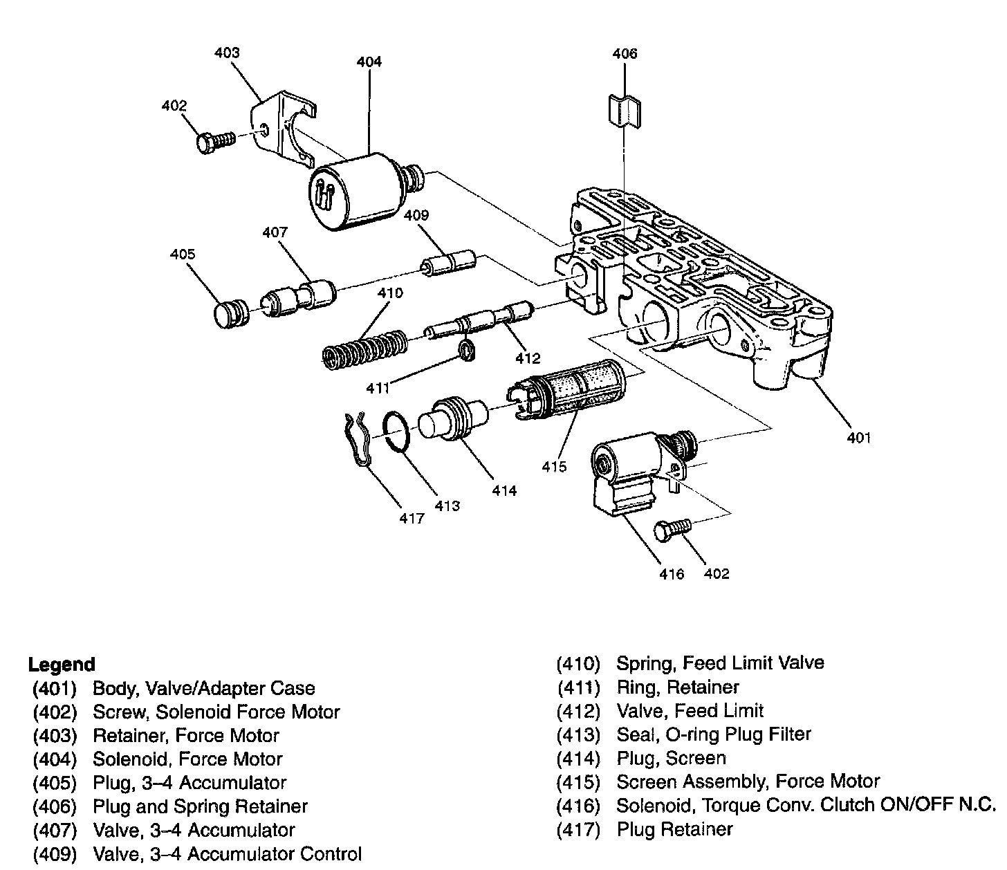
VALVE BODY ASSEMBLIES





OVERDRIVE INTERNAL COMPONENTS








INTERNAL COMPONENTS





CENTER SUPPORT ASSEMBLY